logo elektroda
logo elektroda
X
logo elektroda
Adblock/uBlockOrigin/AdGuard mogą powodować znikanie niektórych postów z powodu nowej reguły.

Ford Scorpio rocznik 2000 1.9

andrzej1 11 Maj 2011 12:49 1546 3
  • #1 9494766
    andrzej1
    Poziom 10  
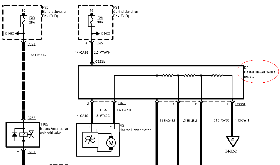
    Kto wie do czego służy przekaźnik R 21. Przekaźnik ma żółty kolor. Proszę o odpowiedź.
  • #2 9494822
    jarecki04
    Poziom 26  
    Z mojej wiedzy wynika, że Forda Scorpio produkowano do 1998 r.
  • #3 9494966
    andrzej1
    Poziom 10  
    możliwe że 1998r. nie znam się na samochodach nic a nic. Tato elektryk potrzebuje tej odpowiedzi
  • Pomocny post
    #4 9495647
    Lord_W
    Poziom 12  
    Według TIS R21 to zestaw rezystorów dmuchawy nawiewu powietrza do kabiny.

    Ford Scorpio rocznik 2000 1.9
REKLAMA