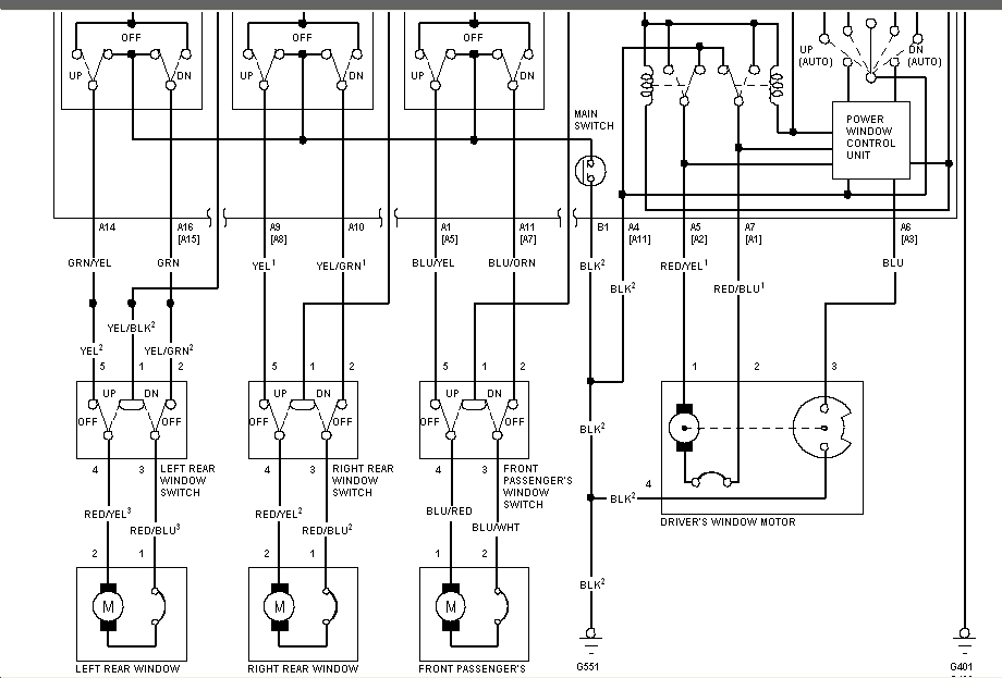
Mam Honde Civic 94 1.5 sprowadzona ze stanów. Nie działają mi wszytkie szyby, bezpiecznik jest dobry. Zastanawiam się teraz na kupnem sterownika szyb czy ten pokazany na zdjęciu jest jednym jaki się znajduje czy mam szykać czegoś innego? w lewych drzwiach znalazłem tylko sterwonik do centralnego zamka.
