logo elektroda
logo elektroda
X
logo elektroda
REKLAMA
REKLAMA
Adblock/uBlockOrigin/AdGuard mogą powodować znikanie niektórych postów z powodu nowej reguły.

Peugeot 806 1.9 tdi schemat elektryczny

Kapselk7 17 Maj 2011 17:23 5634 1
REKLAMA
  • #1 9516291
    Kapselk7
    Poziom 2  
    Witam.Poszukuje schematu podłączenia wiązki elektrycznej do tego modelu silnika.
    Typ silnika DHX.Dziękuje
  • REKLAMA
  • #2 9518200
    zeimp
    Moderator na urlopie...
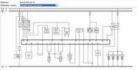
    O to Ci chodzi? To jest schemat pinów sterownika, gdzie co ma być wpięte:
    Peugeot 806 1.9 tdi schemat elektryczny
    Pozdrawiam.
REKLAMA