logo elektroda
logo elektroda
X
logo elektroda
REKLAMA
REKLAMA
Adblock/uBlockOrigin/AdGuard mogą powodować znikanie niektórych postów z powodu nowej reguły.

[ATmega8][c] Hall switch TLE4905

Korelator 17 Maj 2011 21:13 2773 2
REKLAMA
  • #1 9517276
    Korelator
    Poziom 10  
    Witam.
    Podłączyłem czujnik do atmegi w najprostszy spobób:
    [ATmega8][c] Hall switch TLE4905

    I teraz nie mogę uzyskać stanu wysokiego na wejściu uC. Sygnał wyjściowy czujnika to ok 1,5V. Za mało? Może jakoś innaczej go podłączyć? jakiś pull up?
    Z góry dziękuję za pomoc
  • REKLAMA
  • #2 9518383
    Konto nie istnieje
    Poziom 1  
  • #3 9519097
    Korelator
    Poziom 10  
    Dzięki.
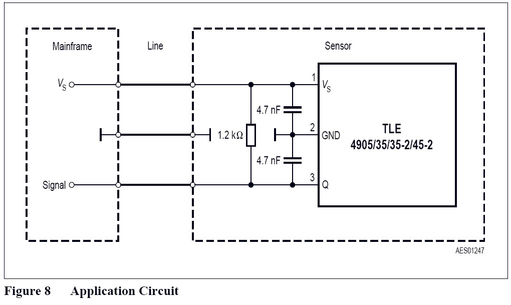
    Oczywiście czytałem datasheet tylko źle zinterpretowałem ten obrazek (myślałem, że ten układ jest już wbudowany w sensor).
    Pozdrawiam
REKLAMA