logo elektroda
logo elektroda
X
logo elektroda
REKLAMA
REKLAMA
Adblock/uBlockOrigin/AdGuard mogą powodować znikanie niektórych postów z powodu nowej reguły.

Uniden 520xl brak mocy. Brak nadawania. Pali się tylko dioda TX.

waaaa 17 Maj 2011 22:22 4363 3
REKLAMA
  • #1 9517667
    waaaa
    Poziom 12  
    witam jak w opisie brak nadawania odbiór jest ok na wyświetlaczu pali sie tylko dioda TX .Brak jest mocy koncówka ok driver ok maja prawidłowe napiecia synteza tez ma ok zasilanie 6,7vol dławik zmieniałem tez nic sądą sprawdzałem nigdzie nie ma w.cz moze jakas podpowiedz panowie .PS uniden na elementach smd
  • REKLAMA
  • #2 9518436
    SP5ANJ
    Spoczywaj w Pokoju
    Witam.
    waaaa napisał:
    ... sądą sprawdzałem nigdzie nie ma w.cz

    Nawet w przypadku źle działającego VCO to i tak na wyjściu generatora w.cz. musi być przy mierzeniu sondą.

    Nie ma w.cz. - to znaczy, że nie ma napięcia zasilania na VCO. :!:


    Pozdrawiam.
  • REKLAMA
  • #3 9519909
    waaaa
    Poziom 12  
    a podpowiedzial bys gdzie w unidenie jest zasianie syntezy bo za cholere nie wiem :)


    Zadbaj o pisownię ojczystą. Popraw.
    Regulamin pkt 3.1.13 . [SP5ANJ]
  • #4 9519991
    SP5ANJ
    Spoczywaj w Pokoju
    waaaa napisał:
    ... synteza tez ma ok zasilanie 6,7vol

    OOO nie ładnie tak "pisać". :D

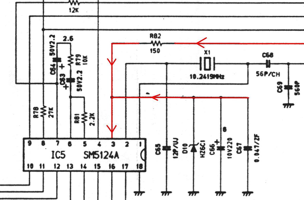
    Tu masz kolorem czerwonym pokazane jak idzie i skąd to zasilanie.

    Uniden 520xl brak mocy. Brak nadawania. Pali się tylko dioda TX.
    Schemat i wyjaśnienie - poglądowe - z 510-tki.

    Parametry scalaka.

    Uniden 520xl brak mocy. Brak nadawania. Pali się tylko dioda TX.


    Pozdrawiam.
REKLAMA