logo elektroda
logo elektroda
X
logo elektroda
REKLAMA
REKLAMA
Adblock/uBlockOrigin/AdGuard mogą powodować znikanie niektórych postów z powodu nowej reguły.

Max232 i transmisja po rs232

clark1234 22 Maj 2011 17:47 5398 8
REKLAMA
  • #1 9533305
    clark1234
    Poziom 9  
    Witam.
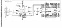
    Chciałem zapytać czy to jest poprawne połączenie układu max232 do gniazda żeńskiego i atmegi32:
    Max232 i transmisja po rs232
    Z góry dziękuję za odpowiedź.
    Pozdrawiam.
  • REKLAMA
  • Pomocny post
    #2 9533334
    pudzianowski
    Poziom 28  
    Witam.
    Nie rozumiem łączenia pinów wtyczki RS232: 3. z 1., 4. i 6.
    Czy to jest część jakiegoś większego schematu?
    Pozdrawiam.
    Mateusz.
  • REKLAMA
  • Pomocny post
    #3 9533361
    xamrex
    Poziom 28  
    Ja robiłem wg. tego schematu i działało.
    Max232 i transmisja po rs232

    Czy twój będzie działał? - Nie wiem.
    Najlepiej podłączyć i sprawdzić :)
  • Pomocny post
    #4 9534359
    Fredy
    Poziom 27  
    Zwykle wykorzystuje sie piny 2,3 i masa na 5.
    Na schemacie masz napewno błędnie podłączone elektrolity. Zobacz jak jest w nocie. WIem że aż korci dać elektrolit minusem na masę , ale ma być odwrotnie. Tam powstaje napięcie ujemne, czyli na masie ma być dodatnia elektroda kondensatora. To samo jest z zasilaniem, elektrolit ma mieć minus na zasilanie.
  • REKLAMA
  • #5 9534713
    clark1234
    Poziom 9  
    Dzięki za zainteresowanie.
    Pozdrawiam
  • REKLAMA
  • #6 9880109
    beznadziejny_elektronik
    Poziom 10  
    Witam!

    Niestety nie mam zbyt wielkiego doświadczenia, dlatego mam kilka pytań w sprawie poprawności konwertera, którego schemat znalazłem tutaj:

    http://www.cyfronika.com.pl/kitynepdf/213-K.pdf

    Konwerter RS232 - TTL

    1. Czy diody są poprawnie podłączone (ich zwrot odpowiednie podłączenie) i czy faktycznie jedna będzie "migać" podczas przesyłu danych w jedną stronę i druga analogicznie podczas przesyłu danych w drugą stronę?

    2. Czy niezbędna jest cewka w tym układzie? Czy bez niej również wszystko będzie działało poprawnie?

    3. Czy użyte są odpowiednie kondensatory? Czy nie powinny to być elektrolity 1uF lub 10uF? Jeśli tak, to które lepsze?

    4. Czy układ będzie prawidłowo przesyłał dane w jedną jak i drugą stronę?

    Widziałem już wiele wersji schematów takich konwerterów i każdy się jakoś różni. Raz nóżka R_OUT maxa232 jest podpinana do TxD mikrokontrolera, a raz do RxD. Nie wiem czy to po prostu nie ma jakiegoś znaczenia? Niby to takie proste, ale strasznie mi się pomieszało, a potrzebuje pewny i działający na 100% konwerter (najlepiej z diodami sygnalizującymi przesyłanie danych).

    Przepraszam za brak wiedzy i proszę o pomoc!
    Z góry dziękuję! Pozdrawiam!
  • #7 9881020
    pudzianowski
    Poziom 28  
    Witam.
    :arrow: beznadziejny_elektronik
    Schemat przez Ciebie przedstawiony jest dla mnie niejasny, ja zawsze korzystałem z takiego:
    https://www.elektroda.pl/rtvforum/files-rtvforum/max232_1182.gif
    Jednak nie polecam pobierać zasilania z portu COM, a z zewnętrznego zasilacza.
    Pojemność kondensatorów zależy od wersji i producenta układu MAX232.
    Sprawę opisu Rx i Tx doskonale obrazuje ten obrazek pochodzący ze strony http://leon-instruments.blogspot.com
    Max232 i transmisja po rs232
    Pozdrawiam
    Mateusz
  • #8 9881229
    beznadziejny_elektronik
    Poziom 10  
    Szanowny Panie Mateuszu,

    Bardzo dziękuję za pomoc! Mam jednak jeszcze pytanie:

    W takim razie schemat transmisji wygląda w taki sposób jak poniżej?

    (pin 2 wtyczki com1) RxD <----TOUT<---TIN<---RxD uP
    (pin 3 wtyczki com1) TxD ---->RIN--->ROUT--->TxD uP

    Znalazłem schemat, który zgadza się z zaproponowanym przez Pana:
    Max232 i transmisja po rs232
    zródło: http://www.scienceprog.com/alternatives-of-max232-in-low-budget-projects/

    Nie mam jednak w 100% pewności czy te diody będą działały poprawnie, ale w razie czego, można je wylutować :-).

    Jeszcze raz ogromnie dziękuję Panu za pomoc! Pozdrawiam!
  • #9 9881949
    Fredy
    Poziom 27  
    Te diody będą działać. Tylko że dioda TXD będzie zasilana z procesora. Jeśli procesor to AVR to nie ma problemu, jeśli inny to zobacz do noty jak duży ma prąd wyjściowy.
REKLAMA