logo elektroda
logo elektroda
X
logo elektroda
REKLAMA
REKLAMA
Adblock/uBlockOrigin/AdGuard mogą powodować znikanie niektórych postów z powodu nowej reguły.

Błąd przy programowaniu procesora

1dawidk 23 Maj 2011 21:00 2013 23
REKLAMA
  • #1 9537235
    1dawidk
    Poziom 10  
    Witam wszystkich!

    Zacząłem ostatnio zajmować się procesorami avr. Na samym początku wymyśliłem sobie układ który to by migał diodami. Przygotowałem płytkę, przylutowałem procesor (atmega8) do niej diody i wyprowadziłem sygnały do programowania ISP. Vcc i Gnd podpiąłem przez kondensatory ceramiczne 100nF i elektrolityczne 22uF. Najpierw zgodnie z zaleceniami chciałem przestawić FuseBity wewnętrznego oscylatora RC tak by ustawić taktowanie na 8Mhz. Zainstalowałem sterowniki do programatora AVR Prog v2. Włączyłem AVR Studio, wykrył programatora lecz gdy chciałem odczytać FuseBity przez przycisk Verify pokazał się błąd. AVR studio nie mógł nawiązać połączenia z procesorem. Z programatorem komunikuje się doskonale, ale przy próbie zrobienia czegokolwiek z procesorem zapala się na chwilę czerwona dioda na programatorze i wywala błąd. Próbowałem już wielu sposobów znalezionych w internecie, ale nic nie pomogło. Proszę więc was o pomoc.
  • REKLAMA
  • REKLAMA
  • #3 9537375
    1dawidk
    Poziom 10  
    Nic wcześniej nie robiłem z tym procesorem. Błąd ten pojawił się już przy pierwszym podłączeniu więc nie wydaje mi się żeby chodziło o zablokowanie.
  • #5 9537467
    1dawidk
    Poziom 10  
    Schemat postaram się wrzucić jak najszybciej. Natomiast właśnie przy próbie podłączenia procesora by zmienić FuseBity wystąpił ten błąd. Nie zdążyłem wcisnąć "Write". Przy weryfikacji Fusów.
  • REKLAMA
  • #7 9537598
    1dawidk
    Poziom 10  
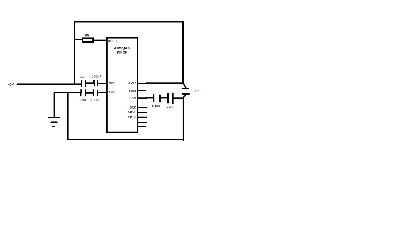
    Co prawda zrobiony w Paint :D, ale wydaje mi się że wystarczy. (Oczywiście sygnały SCK, MISO, MOSI, RESET odpowiednio podłączone do programatora, sprawdziłem kilka krotnie czy na pewno są dobrze podłączone). Układ zasilany jest z programatora więc zasilanie jest odpowiednie.

    Błąd przy programowaniu procesora

    Przy okazji chciałbym się zapytać co się może stać z procesorem gdybym podłączył odwrotnie Vcc i Gnd?
  • REKLAMA
  • Pomocny post
    #8 9537635
    Wojtek75
    Poziom 24  
    Z tym sposobem podpięcia kondensatorów to zdecydowanie przesadziłeś. Przy czymś takim twój uC w zasadzie nie jest zasilany.
  • Pomocny post
    #9 9537640
    dondu
    Moderator na urlopie...
    Kondensatory szeregowo?
    Oj bracie!
    http://mikrokontrolery.blogspot.com/2011/04/minimalne-podlaczanie-pinow.html

    1dawidk napisał:
    Przy okazji chciałbym się zapytać co się może stać z procesorem gdybym podłączył odwrotnie Vcc i Gnd?

    Może ulec uszkodzeniu, ale mieliśmy wielokrotnie przykłady, że przeżywały takie katorgi :)
  • #10 9537642
    janbernat
    Poziom 38  
    NAPRAWDĘ tak to jest podłączone?
  • #11 9537647
    asembler
    Poziom 32  
    No jak przy takim schemacie programowałes to nie ma sie czemu dziwic.
  • #12 9537670
    1dawidk
    Poziom 10  
    Proszę o wybaczenie :D, moich haniebnych czynów. Jestem naprawdę początkujący, nie tylko z procesorami, ale w ogóle z jakąkolwiek elektronika. Wcześniej pisałem tylko na PC w c++, ale zachciało mi się czegoś nowego.

    Ogólnie dziękuje za odpowiedzi (bardzo szybkie).
  • Pomocny post
    #13 9537684
    dondu
    Moderator na urlopie...
    1dawidk napisał:
    Proszę o wybaczenie :D, moich haniebnych czynów.

    Wybaczamy! Podłącz tak jak w załączonym linku i na razie nie tykaj fusbitów i spróbuj "nawiązać łączność" z procesorem - może Cię polubi :D

    Uwaga!
    Nie sugeruj się numerami tylko nazwami pinów bo to inna obudowa (ma więcej pinów).
  • #14 9537723
    1dawidk
    Poziom 10  
    Dokładnie przestudiowałem sobie rozmieszczenie pinów (ich znaczenie) w tej obudowie. Na schemacie zaznaczyłem tylko te podłączone.
  • #16 9537775
    Konto nie istnieje
    Konto nie istnieje  
  • #17 9537814
    drzasiek
    Specjalista CNC
    Co do ustawień fuse bitów to się nie spiesz. 1 MHz do zabawy z diodami ci wystarczy. A jak już ci się zachce przestawić fuse bity to zastanów się 10 razy zanim wciśniesz write.
  • #18 9537817
    1dawidk
    Poziom 10  
    I to jest świetny pomysł. (ten z książkami)
  • #20 9538114
    Bartek.k.k
    Poziom 21  
    dondu napisał:
    1dawidk napisał:
    I to jest świetny pomysł. (ten z książkami)

    albo EDW: http://mikrokontrolery.blogspot.com/2011/04/wiedza-ogolna.html


    Strona www.edw.com.pl została zgłoszona jako strona stanowiąca zagrożenie i została zablokowana zgodnie z ustawieniami bezpieczeństwa.
            
    Tego rodzaju strony mogą próbować instalować oprogramowanie wykradające poufne dane, używające komputera do pośredniczenia w atakach lub uszkadzające system.Niektóre szkodliwe strony celowo rozpowszechniają niebezpieczne oprogramowanie, ale większość z nich działa na serwerach, na które nastąpiło włamanie.


    Wiadomo coś na ten temat czy tylko mi występuje ten problem?
  • #21 9538117
    dondu
    Moderator na urlopie...
    Faktycznie, potwierdzam, że ja także mam taki komunikat.
    No to mają problem ale skoro Google ich powiadomił no to mam nadzieję, że działają w tym temacie.
    Jest tam na prawdę dziesiątki bardzo dobrze opracowanych artykułów.
  • #22 9538120
    Bartek.k.k
    Poziom 21  
    dondu napisał:
    Faktycznie, potwierdzam, że ja także mam taki komunikat.
    No to mają problem ale skoro Google ich powiadomił no to mam nadzieję, że działają w tym temacie.
    Jest tam na prawdę dziesiątki bardzo dobrze opracowanych artykułów.


    Z tym działaniem to możemy się zastanowić, bo ten komunikat mam nie chcąc kłamać dobre 2 lub 1,5 tygodnia.
  • #23 9542420
    1dawidk
    Poziom 10  
    A więc dostałem parę nowych kondensatorów, polutowałem wszystko i nawet nie wiecie jak ogromną radość może wywołać jedno króciutkie zdanie że pomyślnie nawiązano połączenie. Dziękuje wam bardzo za szybkie (i trafione) odpowiedzi. Wydaje mi się że w przyszłości się jeszcze nie raz spotkamy :D.
REKLAMA