Witam!
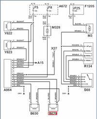
Jak w temacie poszukuję schematu klimatyzacji do Audi a8 4.2l 1999r.
Sprężarka klimatyzacji załącza się i wyłącza co kilka sekund. Czujnik ciśnienia wymieniony, brak błędów. Proszę również o podpowiedź gdzie szukać przyczyny usterki.
Jak w temacie poszukuję schematu klimatyzacji do Audi a8 4.2l 1999r.
Sprężarka klimatyzacji załącza się i wyłącza co kilka sekund. Czujnik ciśnienia wymieniony, brak błędów. Proszę również o podpowiedź gdzie szukać przyczyny usterki.
