Witam,
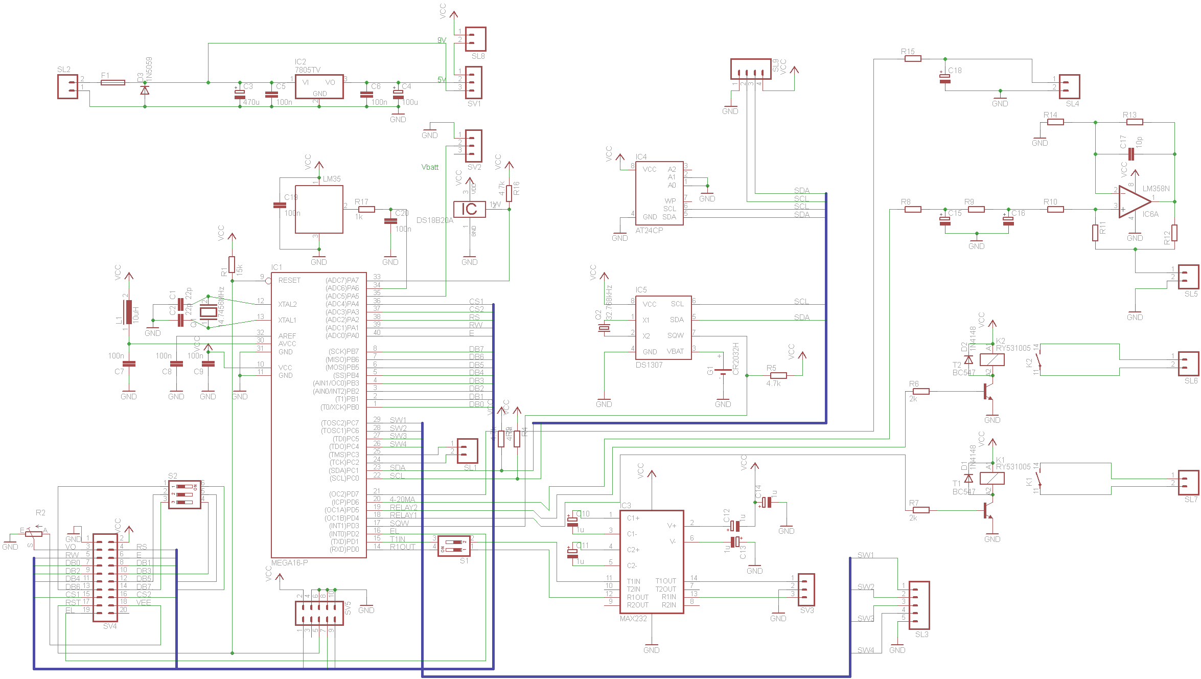
Kończyłem już pracę nad układem mikroprocesorowym z ATmega16A, program był napisany w 90%, wszystko super działało.
Polakierowałem gotowe PCB Plastikiem 70 i zostawiłem do wyschnięcia. W międzyczasie zająłem się przycinaniem obudowy. Po zamontowaniu wszystkiego, podłączyłem przyciski i chciałem upewnić się, że wszystko jest ok.
Okazało się, że program nie rusza. Po jakimś czasie doszedłem, że zresetował się zegar RTC DS1307, choć baterii podtrzymującej nie wyjmowałem ani na chwilę.
Później chciałem przetestować przyciski i okazało się, że w jednym z nich nie działa wewnętrzne podciąganie i cały czas wykrywany jest stan niski. Podciągnąłem zewnętrznie, ale mimo to, procesor odczytuje cały czas ten i jeszcze jeden przycisk jako wciśnięty, choć na nóżkach jest 5 V.
Nie działają również dwie diody LED - znikoma wydajność prądowa pinów procesora.
Czy ktoś miał podobny problem i wie dlaczego tak się stało? Czy to wina pokrycia Plastikiem 70 PCB z zamontowanymi już elementami? Układ pozostawiłem do wyschnięcia na 3h i wtedy podłączyłem zasilanie. Czy może to nie wina procesora?
Z góry dzięki za odpowiedzi.
Pozdrawiam
Kończyłem już pracę nad układem mikroprocesorowym z ATmega16A, program był napisany w 90%, wszystko super działało.
Polakierowałem gotowe PCB Plastikiem 70 i zostawiłem do wyschnięcia. W międzyczasie zająłem się przycinaniem obudowy. Po zamontowaniu wszystkiego, podłączyłem przyciski i chciałem upewnić się, że wszystko jest ok.
Okazało się, że program nie rusza. Po jakimś czasie doszedłem, że zresetował się zegar RTC DS1307, choć baterii podtrzymującej nie wyjmowałem ani na chwilę.
Później chciałem przetestować przyciski i okazało się, że w jednym z nich nie działa wewnętrzne podciąganie i cały czas wykrywany jest stan niski. Podciągnąłem zewnętrznie, ale mimo to, procesor odczytuje cały czas ten i jeszcze jeden przycisk jako wciśnięty, choć na nóżkach jest 5 V.
Nie działają również dwie diody LED - znikoma wydajność prądowa pinów procesora.
Czy ktoś miał podobny problem i wie dlaczego tak się stało? Czy to wina pokrycia Plastikiem 70 PCB z zamontowanymi już elementami? Układ pozostawiłem do wyschnięcia na 3h i wtedy podłączyłem zasilanie. Czy może to nie wina procesora?
Z góry dzięki za odpowiedzi.
Pozdrawiam


