logo elektroda
logo elektroda
X
logo elektroda
REKLAMA
REKLAMA
Adblock/uBlockOrigin/AdGuard mogą powodować znikanie niektórych postów z powodu nowej reguły.

falownik 3-fazowy czas martwy

grzegorz_w3 26 Maj 2011 19:07 3550 9
REKLAMA
  • #1 9547104
    grzegorz_w3
    Poziom 10  
    Witam,
    czy ma ktoś może schemat, żeby zrobić sprzętowo czas martwy w falowniku?
    Za pomoc z góry dziękuje.
  • REKLAMA
  • #2 9547207
    deksta84
    Poziom 24  
    Witam
    Link
    Bawiąc się pojemnościami kondensatorów, zmienisz czas martwy. Dałem rożne kondensatory w celu zlikwidowania opóźnienia na bramce negującej.
    Jeżeli falownik ma pracować z niską częstotliwością, to można ową niesymetryczność po prostu pominąć. Oczywiście jest to schemat jedynie dla jednej fazy, ale dołożenie dwóch dodatkowych chyba nie sprawi problemu. Wyjścia łączyłem ze sterownikiem inwertera, za pomocą transoptora.
    Pozdrawiam
  • REKLAMA
  • #3 9547290
    grzegorz_w3
    Poziom 10  
    A mógłbyś mi wytłumaczyć jak to podłączyć?
  • #5 9549892
    grzegorz_w3
    Poziom 10  
    Schematu jeszcze nie mam, ale zamierzam użyć moduł igbt 0CM15TF-12H. Sterownik zbudowany jest na atmedze32. Porty PC0, PC1 i PC2 są programowymi PWM.
  • REKLAMA
  • #6 9559928
    deksta84
    Poziom 24  
    Jeżeli atmega ma tym sterować, to nic trudniejszego. Przepinasz trzy układziki pomiędzy trzema wyjściami atmegi a sterownikiem falownika. Pamiętać należy o właściwych poziomach napięć sterujących, ale tę kwestię zostawiam Tobie do przemyślenia.
    Ten schemat jest częścią większego zespołu. Ciebie interesuje moduł z bramkami NAND Schmitta. Wspomnę o rezystorach pull-up w atmedze, które mogą namieszać przy sterowaniu.
    Pozdrawiam
  • #7 9563214
    grzegorz_w3
    Poziom 10  
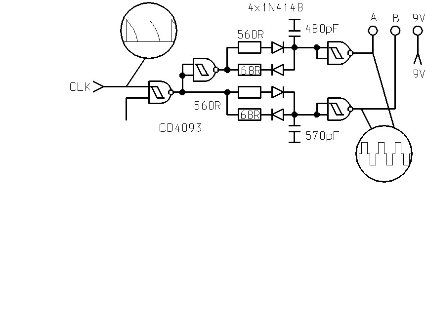
    Rozumiem, że wystarczy mi tylko tyle:
    falownik 3-fazowy czas martwy

    I rozumiem jeszcze, że A i B to wyjścia, a CLK to PWM z atmegi. a co podłączyć do dolnego wejścia pierwszej bramki?

    I jeszcze chciałem zapytać gdzie dać optoizolację? Na wyjściach A i B czy na CLK?
  • #8 9567324
    deksta84
    Poziom 24  
    Ten układzik, to tylko sygnałówka. Trzeba zastosować odpowiednie wzmacniacze.
    Dolne wejście zewrzeć z CLK, albo zastosować, przykładowo, układ grzybka bezpieczeństwa. Optoizolacja ma sens, gdy budujesz falownik na wyższe napięcia. Wyjścia A i B sterują, pośrednio, dolnym i górnym kluczem jednej fazy. Wybrałem CD4093, z uwagi na zakres napięć zasilających i sterujących, stromość zboczy na wyjściu. Opracowałem ten układ do aplikacji pracującej z częstotliwością do 330kHz.
    Zastanawia mnie wykorzystanie PWM w tej aplikacji. O ile mi wiadomo do poprawnej pracy falownika trójfazowego wystarcza doprowadzić trzy pary (góra i dół o wypełnieniu 50%) sygnałów, przesunięte względem siebie o 120°. W falowniku steruje się częstotliwością sygnału CLK. Zmiana napięcia wymaga znacznie bardziej wyrafinowanej aplikacji (szczególnie większych mocy). Chcąc zachować stały stosunek U/f, zwykły prosty falownik nie wystarczy.
  • REKLAMA
  • #9 9583154
    grzegorz_w3
    Poziom 10  
    A mógłby pan mi powiedzieć, gdzie te wzmacniacze mają być?
  • #10 9584981
    RalfPi86
    Poziom 13  
    Chlopaki!
    cytuje:""Zastanawia mnie wykorzystanie PWM w tej aplikacji. O ile mi wiadomo do poprawnej pracy falownika trójfazowego wystarcza doprowadzić trzy pary (góra i dół o wypełnieniu 50%) sygnałów, przesunięte względem siebie o 120°. W falowniku steruje się częstotliwością sygnału CLK. Zmiana napięcia wymaga znacznie bardziej wyrafinowanej aplikacji (szczególnie większych mocy). Chcąc zachować stały stosunek U/f, zwykły prosty falownik nie wystarczy."...

    Robicie problem z prostej rzeczy.. co ma metoda sterowania do falownika..
    Falownik nalezy traktowac jako "uklad zwiekszajacy moc", o kilku (nastu) wejsciach i kilku wyjsciach..

    To czy stosuje metode U/f czy sterowanie wektorowe (DFOC, czy tam DTC czy cokolwiek innego) to juz jest sprawa ukladu sterowania..
    A falownik, ktory Kolega Grzesiu chce zrobic, to zapewne na zajecia w technikum?:)

    Nie jestem specem z energo, a raczej ze sterowania, ale prosta sprawa dla mnie.. Driver - tranzystor x 6, sprzezenie zwrotne od pradu+optoizolacja..
    Polecam:
    http://www.microchip.com/stellent/idcplg?IdcService=SS_GET_PAGE&nodeId=2125m=en542105

    i ogólnie producenci prockow zamieszczaja sporo kodow, schematow itp.

    Pozdrawiam i czekam na rozwoj sytuacji:)

    Dodano po 11 [minuty]:

    http://itee.uq.edu.au/~aupec/aupec06/htdocs/content/pdf/210.pdf
REKLAMA