Diaľkové ovládanie telefónom GSM (GSM pilot, GSM remote control)
Roman Žipaj - OM0ARZ
Úvod :
Potreboval som diaľkové ovládanie na väčšiu vzdialenosť ako poskytujú VF moduly pracujúce v okolí 433 MHz a keď sa mi dostal do rúk mobilný telefón ERICSSON GA 628 (ďalej len MT) za 400 Sk, hneď ma napadlo využiť ho na diaľkové ovládanie. Výhodou tejto konštrukcie je obrovský dosah ako aj to že nepotrebujeme vyrábať ovládač, nevýhodou je menší komfort ovládania, dlhší čas potrebný na zapnutie a vypnutie pripojeného zariadenia ako aj nutnosť pokrytia signálom GSM na mieste inštalácie diaľkového ovládača.
Základné technické parametre s pripojeným MT ERICSSON GA628 :
Napájacie napätie 9-30V
Prúdový odber v kľude ( U nap. 12V ) 9 mA
Prúdový odber pri vyzváňaní ( U nap. 12V ) 240 mA
Max výstupný prúd na svorkovnici SV3 100mA
Čas potrebný na zapnutie menej ako 15 sec.
Čas potrebný na vypnutie menej ako 30 sec.
Popis funkcie :
MT majú výstup ktorý pri zvonení telefónu prejde do log.1, ak telefón prestane zvoniť na výstupe sa objaví log 0. Pri Log.1 je napätie na tomto výstupe 3,3V alebo 5V (závisí to od typu telefónu) a pri Log.0 je na ňom napätie blízke 0V. Tento výstup je označovaný je ako MUSIC MUTE, RADIO MUTE a podobne. Predpokladám, že tento výstup má väčšina MT a jeho úlohou je pri používaní MT s montážnou sadou do auta stíšiť aurorádio, keď zazvoní telefón. To znamená že nosičom informácie je v tomto prípade dĺžka vyzváňania. Uvedený diaľkový ovládač funguje tak, že po dvoch zazvoneniach na telefón pripojený k modulu diaľkového ovládača výstup zopne a pri piatich zazvoneniach sa vypne. Znamená to, že za ovládanie sa neplatí žiadny poplatok mobilnému operátorovi, pretože nie je potrebné prijať hovor, platia sa iba poplatky za aktiváciu a dobíjanie SIM karty aby táto nebola operátorom zrušená. Vhodné je tiež zakázať prijímanie SMS. Ak je požadovaná vyššia bezpečnosť ovládania (napríklad alarm) je potrebné použiť telefón ktorý dokáže zakázať volanie iných čísel ako čísel uložených v zozname na SIM karte.
Popis zapojenia :
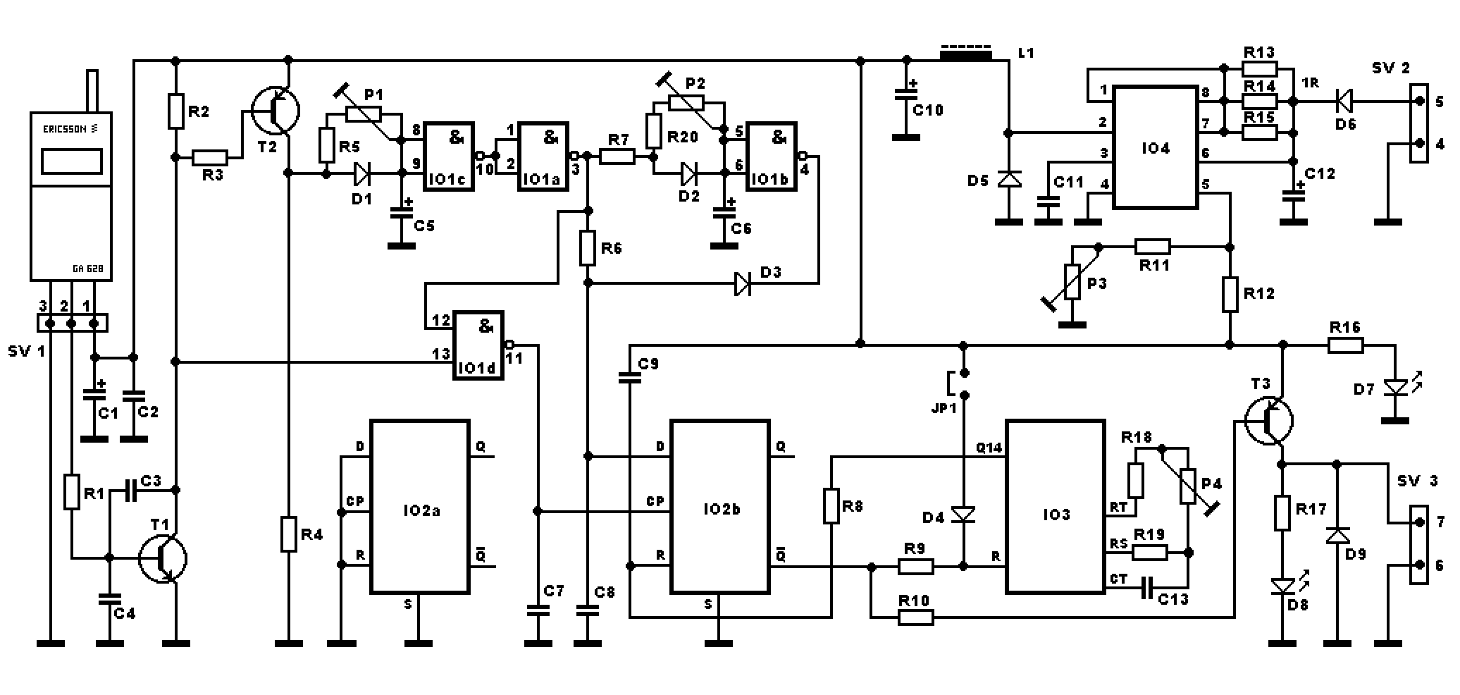
Signál vyzváňania je privedený na bázu T1 cer rezistor R1. T1, T2, R1 až R4 sú zapojené ako prevodník napäťových úrovní a invertor, C3 a C4 blokujú zvyšky VF signálu z MT. Pri vyzváňaní telefónu je na kolektore T1 log.0 a na kolektore T2 log.1. Hradlá IO1c a IO1a spolu s R5, P1, D1 a C5 tvoria časovač. Po nabití C5 cez R5 a P1 na polovicu UDD prejde výstup IO1a do log.1., úroveň log.1 sa prenesie cez R6 aj na vstup DATA klopného obvodu IO2b. Súčasne sa spustí druhý časovač vytvorený hradlom IO1b spolu s R7, R20, P2, D2 a C6. Po nabití C6 cez R7, R20 a P2 na polovicu UDD prejde výstup IO1b do log.0 a cez diódu D3 vnúti vstupu DATA IO2b log.0. Keď telefón prestane zvoniť, hardlo IO1d vygeneruje impulz a prepíše informáciu zo vstupu DATA na výstupy Q a Q negované IO2b, kondenzátor C5 sa vybije cez D1 a R4, potom sa začne vybíjať C6 cez R7 a D2. Podmienkou na generovanie impulzu hradlom IO1d je log.1 na výstupe hradla IO1a, to znamená že impulz je generovaný najskôr po dvoch zazvoneniach MT a kratšie zvonenie nemá vplyv na stav výstupov IO2b. Kondenzátory C7 a C8 blokujú VF signál a iné rušenie impulzného charakteru. Nastavenie výstupu IO1b do žiadaného stavu po pripojení napájacieho napätia je realizované RC členom R8,C9. Po dvoch zazvoneniach na MT a zrušení volania prejde výstup Q negované IO2b do úrovne log.0, cez rezistor R10 sa otvorí tranzistor T3 a na svorkovnici SV 3 sa objaví ovládacie napätie. Súčasne sa cez R9 odblokuje časovač IO3 a začne kmitať oscilátor tvorený R18,R19,P4 a C13. Po vydelení frekvencie oscilátora číslom 8192 deličmi IO3 sa na výstupe Q14 IO3 objaví log.1 a cez R8 sa vyresetuje IO2b. Klopný obvod IO2b cez R9 znova zablokuje IO3. S uvedenými súčiastkami časovača je možné trimrom P4 nastaviť čas v rozmedzí 20 sec. Až 15 minút. Jumperom JP1 je možné zablokovať časovač prípadne namiesto jumpera je možné zapojiť optočlen a ovládané zariadenie vypnúť až po splnení nejakej úlohy. Led dióda D7 indikuje prítomnosť napájacieho napätia, D8 svieti pri zopnutom výstupe. Stabilizáciu napätia zabezpečuje spínací stabilizátor IO4 spolu s C10 až C12, D5, D6, P3, R11 až R15. Upravená schéma tohto zdroja je prebraná z [1]. Veľkosť stabilizovaného napätia sa nastavuje trimrom P3. Dióda D6 chráni zariadenie proti prepólovaniu. V pôvodnom zapojení bol použitý rezistor 0,33R ale mne sa ho nepodarilo zohnať v miniatúrnom prevedení tak som ja jeho pozíciu zapojil paralelne tri rezistory 1R na čo je myslené aj na doske plošných spojov. Klopný obvod IO2a nie je využitý, jeho vstupy sú ošetrené pripojením na zem.
Konštrukcia :
Celé zapojenie je realizované na jednej jednostrannej doske plošných spojov rozmerov 83 x 97 mm (obrázok č.3)a umiestnené v krabičke U-KM35 rozmerov 90x 35 x 110,5 mm. Dosku plošných spojov opracujeme na potrebný rozmer a vyvrtáme vrtákom 0,8mm okrem dier pre P1, P2, P4, D5, D6, D9 a svorkovnice SV1 až SV3 ktoré vrtáme vrtákom 1,2 mm. Dieru pre stredový stĺpik vrtáme vrtákom 10mm. Najprv osadíme štyri drôtové prepojky, pokračujeme osadzovaním všetkých pasívnych súčiastok a polovodičov, okrem D7,D8,R16 a R17. Pri práci dbáme na zásady zaobchádzania zo súčiastkami citlivými na statickú elektrinu (CMOS obvody IO1 až IO3). Osadenie DPS je na obrázku č.2
Vyhľadanie výstupu MUSIC MUTE :
Zapojenie vývodov na systémovom konektore MT je možné nájsť na internete napríklad [3], ale nie je to bezpodmienečne nutné. Odpojíme batériu MT a ohmmetrom nájdeme na systémovom konektore zem oproti - pólu batérie. Potom pripojíme batériu a zapneme telefón. Zmeráme napätie na všetkých plôškach systémoveho konektora MT vzhľadom na zem a zapíšeme si ich. Pri zvonení telefónu znova zmeráme všetky napätia a zistíme zmeny. Výstup MUSIC MUTE môže byť na niektorých MT aj invertovaný, potom musíme pred samotný modul diaľkového ovládača zapojiť invertor (obrázok č.6).
Oživenie a nastavenie :
Na svorkovnicu SV 2 pripojíme napájacie napätie asi 12 V z laboratórneho zdroja s prúdovým obmedzením 200 mA a zmeriame napätie na kondenzátore C10. Pre MT ERICSSON GA 628 je to napätie 5,2V čo je napätie plnene nabitého akumulátora. Pripojíme MT a zapneme ho. Pri zazvonení na telefón nesmie klesnúť napájacie napätie pod 4,8V, pretože v opačnom prípade telefón zahlási vybitú batériu a za chvíľu sa vypne. V prípade poklesu napätia je väčšinou potrebné laborovať z tlmivkou L1 viď [1]. Ak telefón funguje bez problémov, pripojíme LED diódy D7 a D8 zo strany plošných spojov katódou na zem, anódu D7 pripojíme cez rezistor R16 na vývod č.10 IO1, anódu D8 pripojíme cez rezistor R17 na vývod č.4 IO1. Trimre P1 a P2 nastavíme do polovice odporovej dráhy, pripojíme zdroj 12V a zazvoníme na telefón. Trimer P1 nastavíme tak aby dióda D7 zhasla na začiatku druhého vyzváňacieho tónu v telefóne z ktorého voláme. Potom trimrom P2 nastavíme zhasnutie diódy D8 na konci štvrtého zvonenia. Odpojíme D7, D8, R16,R17 a osadíme ich na dosku plošných spojov, D7 a D8 môžeme vyviesť na predný panel krabičky. Trimrom P4 nastavíme časovač. Zmenu časov časovača docielime zmenou kapacity kondenzátora C13. Kondenzátor C13 by mal by byť fóliový kôli tepelnej stabilite nastavených časov.
Napájanie MT :
Pri konštrukcii diaľkového ovládača som počítal s mapájaním MT zo stabilizovaného zdroja modulu podľa obr.č.4. Napájacie napätie je najlepšie pripojiť namiesto batérie MT, + pól napájania MT je pripojený k svorkovnici SV 1 na vývod č.1, - pól je pripojený na vývod č.3. Ak má telefón dobrú batériu, nemusí byť napájaný z modulu, potom sa pripojí digitálna zem MT na Vývod č3 SV1, vývod č. 1 SV1 zostane nezapojený (obrázok č.5).
Výstupný obvod :
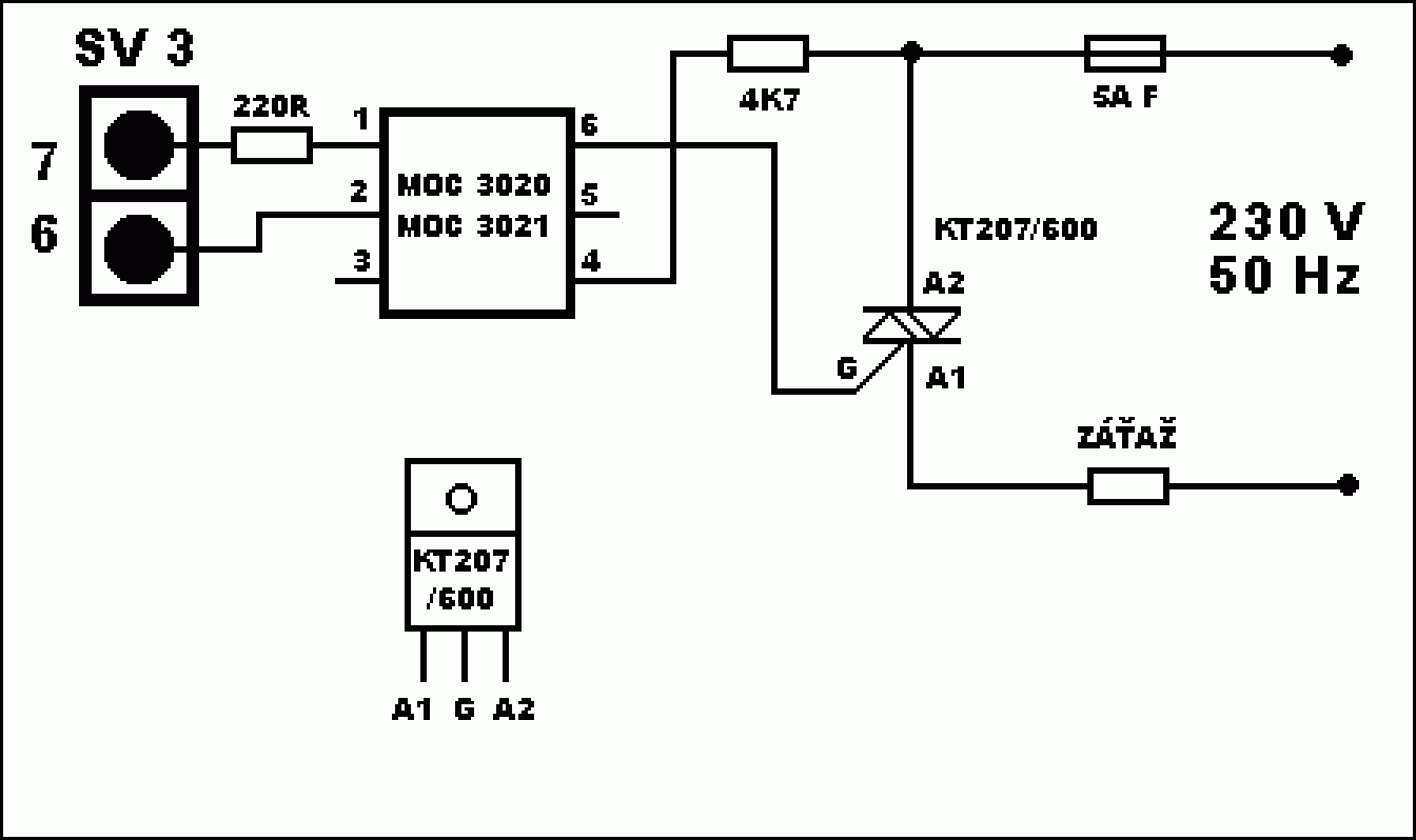
Kôli lepšej manipulácii som navrhol ovládač bez výkonového člena. Na svorky svorkovnice SV 3 je možné zapojiť záťaž max 100mA, kôli slabšiemu zdroju. Na ovládanie spotrebičov z vyšším prúdovým odberom alebo sieťového napätia treba použiť výkonový člen. V prvom prípade viac vyhovie relé napr.5V relé H810F05CH od GM Electronic, ktoré môže spínať výstupný prúd až 10A. Pre ovládanie sieťového napätia je možno výhodnejší triak. Zapojenie výstupného obvodu s triakom je na obrázku 7, je prevzaté z [4] a upravené pre ovládacie napätie 5V. Galvanické oddelenie výstupného obvodu od sieťového napätia zabezpečuje optotriak MOC 3020 alebo MOC 3021. MOC 3020 spína triak hneď, MOC 3021 až po prechode sieťového napätia nulou.
Možné úpravy :
Ak nepožadujete funkciu časovača môžete vynechať IO3 spolu s JP1, D4, R9, R18, R19, P4, C13. Potom je však nutné spojiť voľný koniec R8 so zemou, najlepšie zaspájkovaním drôtovej prepojky na pozícii IO3 medzi vývodmi 3 a 8.
Zoznam súčiastok :
R1,R3,R10,R18 - 10K
R2,R4 - 1K
R5,R6,R7,R8,R9 - 47K
R11 - 820R
R12,R16,R17 - 3K3
R13,R14,R15 - 1R
R19 - 1M5
R20 - 220K
P1,P2,P4 - 470K PIHER PT10H, TP 095 Tesla
P3 - 470R PIHER PT10H, TP 095 Tesla
C1,C6 - 47µF/6,3V Tantal
C2,C4,C9,C13 - 100nF Fóliový
C3,C7 - 33nF Keramický
C5 - 22µF/10V Tantal
C8 - 4,7nF Keramický
C10 - 470µF/6,3V
C11 - 470pF Keramický
C12 - 100µF/50V
D1,D2,D3,D4 - 1N4148
D5 - 1N5819
D6,D9 - 1N4007
D7 - LED 2mA 3mm Zelená
D8 - LED 2mA 3mm Červená
L1 - 220µH Tlmivka radiálna
T1 - KC238 (BC548...)
T2 - KC308 (BC558...)
T3 - BC327-16,KF517
IO 1 - 4093
IO 2 - 4013
IO 3 - 4060
IO 4 - MC 34063AP
SV1 - Svorkovnica do DPS 3 kontakty 5mm
SV2, SV3 - Svorkovnica do DPS 2 kontakty 5mm
JP1 - Skratovacia prepojka (Jumper)
Záver :
Popisovaná konštrukcia má slúžiť ako stavebný návod pre individuálne zhotovenie prístroja. Akékoľvek komerčné využitie bez dovolenia autora je zakázané.
Použitá literatúra :
[1] Hůla P. Modul spínaného zdroje 5V. Praktická elektronika A Radio č 9/1999 strana 10
[2] Jedlička P. Přehled obvodů řady CMOS 4000 díl I. 4000 ... 4099
[3] http://www.hardwarebook.net/ - Internetová stránka - (v súčastnosti nefunkčná)
[4] Tóth M. Jednoduchá zapojení pro volný čas Praktická elektronika A Radio č. 12/1997 strana 9
Fajne? Ranking DIY
