logo elektroda
logo elektroda
X
logo elektroda
REKLAMA
REKLAMA
Adblock/uBlockOrigin/AdGuard mogą powodować znikanie niektórych postów z powodu nowej reguły.

TTI TCB-880 Wymiana końcówki

piotrek1226 04 Cze 2011 18:39 5389 12
REKLAMA
  • #1 9576510
    piotrek1226
    Poziom 11  
    Witam.
    Spalił mi mały brzdąc końcówkę 2sc2078 (trzymając nośną bardzo długo). Chcąc lekko poprawić nadawanie kupiłem tranzystor 2sc2166 (mitsubishi orginał 9zł) .Oczywiście po wymianie radyjko nadaje ale chyba moc spadała bardzo .Na mierniku do SWR i PWR wskazówka nawet nie drgnie . Jak pytam jak mnie słychać to żadko kto odpowiada no chyba ze jedzie za mną.
    Pewnie trza coś poprawić i zamienić jakieś elementy ? może ktoś wie ?
  • REKLAMA
  • #2 9576779
    robson42
    Poziom 19  
    Potrzeba ustawić prądy spoczynkowe końcówki mocy oraz drivera, jakbyś wymienił na taką samą końcówkę to nie musiał byś nic ustawiać, pod warunkiem, że nic nie kręciłeś.
  • REKLAMA
  • #3 9576851
    kriss51
    VIP Zasłużony dla elektroda
    piotrek1226 napisał:
    Witam.
    Spalił mi mały brzdąc końcówkę 2sc2078 (trzymając nośną bardzo długo). Chcąc lekko poprawić nadawanie kupiłem tranzystor 2sc2166 (mitsubishi orginał 9zł) .Oczywiście po wymianie radyjko nadaje ale chyba moc spadała bardzo .Na mierniku do SWR i PWR wskazówka nawet nie drgnie . Jak pytam jak mnie słychać to żadko kto odpowiada no chyba ze jedzie za mną.
    Pewnie trza coś poprawić i zamienić jakieś elementy ? może ktoś wie ?


    Nie kombinuj tylko wstaw tam 2SC2075 lub 78, ten pierwszy też bez problemu podejdzie. Druga sprawa to czy driver jest ok? Zobacz też ale bez wciśniętego PTT czy na kolektorze drivera i końcówki jest około napięcia zasilania radia.

    Ps.
    2SC2166 też idealnie musi dać moc i nie trzeba nic przerabiać. Chyba że kupiłeś tzw malowankę która zgadza się tylko z nadruku na tranzystorze i NPN, ale co to jest to nikt nie wie. Sprawdź to co sugerowałem i jeszcze proszę sprawdzić w bazie końcówki R709, R711 oraz dławik L705, bo czasem jak przestrzeli złącze kolektor-baza końcówki to te elementy lecą. Gdybyś miał sprawny tranzystor z drugiego radia to pewne wątpliwości byś rozwiał.
  • #4 9577069
    maylo
    Poziom 26  
    A gdzie kolega kupił oryginał 2166 ? te tranzystory nie są już produkowane ładne parę lat...i aktualnie w cenie 9 zł na pewno nie dostaniesz oryginału. Jak chcesz wstaw zdjęcie tranzystora to Ci napisze czy jest malowanka czy nie. Tak jak radzi mój przedmówca wstaw 2078...
  • #5 9577086
    piotrek1226
    Poziom 11  
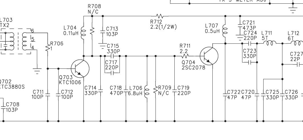
    R709 N\C co to oznacza ? jaka wartość ?
    TTI TCB-880 Wymiana końcówki
    TTI TCB-880 Wymiana końcówki
  • #6 9577661
    gregorio27
    Poziom 31  
    Cytat:
    R709 N\C co to oznacza ? jaka wartość ?
    A jest takowy na płycie? Nie ma. 2SC2166 za 9zł, drogi ten nadruk i mało staranny nie wspominając że czerwonej farby brakło :D
  • #7 9577721
    piotrek1226
    Poziom 11  
    Gdzie mam kupić dobry tranzystor ?. Najlepiej trochę mocniejszy od oryginału. Na giełdzie elektronicznej we Wrocławiu jest szansa ? , czy może sklep internetowy polecicie.
  • REKLAMA
  • #8 9577762
    gregorio27
    Poziom 31  
    Cytat:
    Najlepiej trochę mocniejszy od oryginału
    A co chcesz przez to osiągnąć ? Tranzystor taniej i szybciej i pewniej wymienisz w serwisie.
  • #9 9577785
    SP5ANJ
    Spoczywaj w Pokoju
    robson42 napisał:
    Potrzeba ustawić prądy spoczynkowe końcówki mocy oraz drivera, jakbyś wymienił na taką samą końcówkę to nie musiał byś nic ustawiać, pod warunkiem, że nic nie kręciłeś.

    O jakich tu prądach spoczynkowych jest mowa. :?:

    Driver i stopień końcowy mocy w.cz. (2SC1006 i 2SC2078) to wzorcowy przykład stopni mocy w klasie C.

    TTI TCB-880 Wymiana końcówki

    Regulamin pkt 3.1.11
    3.1.11. Publikowanie wpisów nie zawierających merytorycznej treści, zawierających szkodliwe porady, porady nie będące próbą rozwiązania problemu oraz publikowanie identycznych wpisów następujących po sobie lub powtarzających informacje ujęte w toku dyskusji.

    A nawet brak jest jakichkolwiek elementów regulacyjnych do zmiany napięć polaryzujących bazy tych tranzystorów.

    -------

    piotrek1226 napisał :
    Cytat:
    Najlepiej trochę mocniejszy od oryginału.

    Zobacz, że 2SC2166 - wcale nie jest taki mocny.
    TTI TCB-880 Wymiana końcówki


    Pozdrawiam.
  • REKLAMA
  • #10 9578019
    maylo
    Poziom 26  
    Tak jak już zauważył gregorio27 bardzo lichej jakości malowanka :) Zastanów się czy jest sens abyś jeździł po giełdach i szukał tranzystora... w tym przypadku bez zmian w nadajniku możesz wstawić chyba jedynie tylko 2SC1969 który również nie jest produkowany od dawna a jeśli uda ci się go kupić to nie dość ze zapłacisz za niego z 30 zł to wzrost mocy jaki uda się uzyskać to ok. 1-2 W co w praktyce nie daje nic.
  • #11 9578310
    kriss51
    VIP Zasłużony dla elektroda
    maylo napisał:
    Tak jak już zauważył gregorio27 bardzo lichej jakości malowanka :) Zastanów się czy jest sens abyś jeździł po giełdach i szukał tranzystora... w tym przypadku bez zmian w nadajniku możesz wstawić chyba jedynie tylko 2SC1969 który również nie jest produkowany od dawna a jeśli uda ci się go kupić to nie dość ze zapłacisz za niego z 30 zł to wzrost mocy jaki uda się uzyskać to ok. 1-2 W co w praktyce nie daje nic.


    Pamiętajcie że jakikolwiek wzrost mocy powoduje zmniejszenie głębokości modulacji W AM, a co za tym idzie modulacja staję się bardziej cicha, tzw blaszana i bardziej nie zrozumiała. Swego czasu były tzw. malowanki 2SC2078, ale teraz kupowałem i nie spotkałem już takowych, bo dawały co miały dać. 2SC2075 jeszcze nie dawno spotkałem pomalowaną.
  • #12 9579392
    Driver-
    Poziom 38  
    Nie ważne ile kosztuje jakiś tranzystor, lecz jakie ma parametry. Pomijając malowanki, to między oryginałami 2SC2078, 2SC2166 i 2SC1969 są różnice. To całkiem inne tranzystory i stosowanie ich zamiennie nie ma sensu. Maksymalna moc wyjściowa Po (Power output) to jeden z parametrów tranzystora, z kolei czym innym jest moc wyjściowa jaką może oddać tranzystor w danym układzie. Moc jaką odda tranzystor zależy od napięcia zasilania i impedancji obciążenia i bynajmniej nie jest to 50Ω, lecz inna charakterystyczna dla danej aplikacji. Przykładowo tranzystor 2SC2078 przy napięciu zasilania 13,8V odda 4 W mocy przy oporności obciążenia 23,29Ω. Jeśli ktoś naiwnie myśli że po zmianie tranzystora na inny, wydawać by się mogło mocniejszy bo ma większą moc Po 18W jak np. 2SC1969, odda większą moc to się grubo myli. Dzieje się tak dlatego że układ w jakim pracuje tranzystor się nie zmienił. Rozpatrując dalej przykład 2SC1969 aby oddał on znamionową Po 18W przy napięciu zasilania 13,8V impedancja obciążenia musiała by wynieść 5,822Ω i bez zmian w układzie nie jest możliwe aby się zmieniła. Moc nie wzrasta samoistnie. Do tego zamiana tranzystora spowoduje rozstrojenie obwodów wyjściowych, gdyż nowy tranzystor ma inne parametry wyjściowe. Nie przypadkiem podaje się m/innymi pojemność COB (Output Capacitance), jest uwzględniana podczas projektowania układu i to ona rozstraja obwody wyjściowe. Podobnie inna impedancja wejściowa nowego tranzystora, pojemność i rezystancja (złącza B-E), spowoduje niedopasowanie w obwodzie wyjściowym przedwzmacniacza i zmieni się napięcie sterujące stopień końcowy. Zatem zarówno wejście jak i wyjście nowego tranzystora pracuje w innych warunkach. W najlepszym przypadku moc wzrośnie o parę procent lub się nie zmieni, w najgorszym taka zamiana spowoduje spadek mocy. Jak by i tego było mało to może wzrosnąć zawartość harmonicznych i część mocy jaką daje tranzystor jest bezpowrotnie tracona. Efekty mogą być więc przeciwne do zamierzonych i bez zmian w układzie niemożliwe do osiągnięcia.
  • #13 10252701
    Ravenixx
    Poziom 10  
    Witam.

    Mam podobny problem z tym radiem z tym że u mnie moc spadła do 2 watów napięcie na kolektorze 2sc2078 bez nadawania wynosi 10.76 V
    a na kolektorze drivera 2sc1006 - 9.72 V
    czy wygląda to dla was dziwnie ? czy są to normalne parametry ?
    radio zasilam z zasilacza impulsowego 13.8 V przeznaczonego do transceiverów...

    Moderowany przez c2h5oh:

    https://www.elektroda.pl/rtvforum/viewtopic.php?p=8329012#8329012
    Szkoda Ci punktów na założenie własnego tematu i dlatego musisz podpinać się pod cudzy temat?
    Temat zamykam. Autor tematu może się zwrócić poprzez PW o ponowne jego otwarcie.

REKLAMA