logo elektroda
logo elektroda
X
logo elektroda
REKLAMA
REKLAMA
Adblock/uBlockOrigin/AdGuard mogą powodować znikanie niektórych postów z powodu nowej reguły.

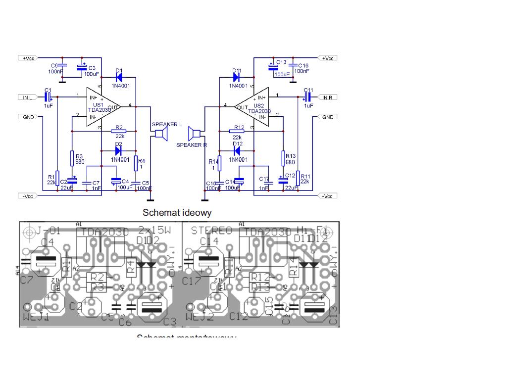
J-01 Wzmacniacz stereo 2x15W gdzie wlutować potencjometr?

14 Cze 2011 17:10 2544 6
REKLAMA
  • #1 9611454
    Konto nie istnieje
    Konto nie istnieje  
  • REKLAMA
  • Pomocny post
    #2 9611480
    andy127
    Poziom 30  
    Witam.
    1 do GND
    2 do IN R
    3 podać sygnał
    Drugi kanał analogicznie.
    Andrzej
  • REKLAMA
  • #3 9611481
    Grzesiek_Slosarczyk
    Poziom 20  
    Witaj po pierwsze do wzmacniacza stereo potrzebujesz podwójny potencjometr a po drugie bezpośrednie wlutowanie potencjometra na wejściu jest mało praktyczne będziesz miał problem z regulacją dźwięku, musisz zbudować jakiś przedwzmacniacz.
    Pozdrawiam
  • REKLAMA
  • #4 9611502
    Konto nie istnieje
    Konto nie istnieje  
  • #5 9613312
    Grzesiek_Slosarczyk
    Poziom 20  
    Do końcówki nr 3 w potencjometrze "podajesz" sygnał audio który "wychodzi" np. z komputera.
  • REKLAMA
  • #6 9613377
    andy127
    Poziom 30  
    Nie
    Gdybyś nie miał potencjometra to sygnał zewnętrzny (np. z radia) podawałbyś na IN R (żyła sygnałowa) i GND (ekran przewodu).
    Po dolutowaniu potencjometra podajesz:
    Końcówka 3 potencjometra - żyła sygnałowa,
    GND - ekran
    Czyli zamiast podać sygnał na IN R, podajesz go na końcówkę 3.
    Czy to OK?
    Najlepiej zastosować potencjometr podwójny (stereo) tak jak sugerował kolega powyżej.
    Chyba, że chcesz mieć niezależną regulację w obu kanałach. Nie jest wtedy potrzebny BALANS.
    Andrzej

    Dodano po 1 [minuty]:

    Kolega powyżej ujął to krócej.
  • #7 9623696
    Konto nie istnieje
    Konto nie istnieje  
REKLAMA