Siema, mam nadzieję ze to dobry dział, a jeśli nie Proszę Moderatorów o przeniesienie tego tematu w odpowiednie miejsce. THX
A mianowicie chodzi o taka sprawę:
- Posiadam układ "Domowy system automatyczny- HAS" układ ten pozwala sterowanie wyjściami mikrokontrolera U3 ATmega32 za pomocą telefonu komórkowego wg. pewnego tekstu sprawdzone modele współpracujące to Siemens S45 i C35 z tym "procesorem" układu.
- Producent układu zaleca użycie tych telefonów ponieważ nie jest przekonany co do stabilności pracy na tym układzie innych telefonów
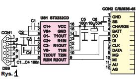
- Komunikacja między telefonem a układem odbywa sie za pomocą wejścia telefonu i wejściem COM w układzie. Za pośrednictwem SMSów. Rys podłączenia:
I mam takie pytania jeśli możecie to pomóżcie. THX
- Czy ten telefon n73 może współpracować z tym układem U3 ATmega 32 ? Dlaczego TAK/NIE może pracować o co tu chodzi?
- Jeśli może pracować to pod które wejścia (styki) w telefonie mam je podłączyć jeśli chcę to zrobić na stałe bez przewodu standardowego do Nokii?
Dziękuje za pomoc POZDRo
A mianowicie chodzi o taka sprawę:
- Posiadam układ "Domowy system automatyczny- HAS" układ ten pozwala sterowanie wyjściami mikrokontrolera U3 ATmega32 za pomocą telefonu komórkowego wg. pewnego tekstu sprawdzone modele współpracujące to Siemens S45 i C35 z tym "procesorem" układu.
- Producent układu zaleca użycie tych telefonów ponieważ nie jest przekonany co do stabilności pracy na tym układzie innych telefonów
- Komunikacja między telefonem a układem odbywa sie za pomocą wejścia telefonu i wejściem COM w układzie. Za pośrednictwem SMSów. Rys podłączenia:
I mam takie pytania jeśli możecie to pomóżcie. THX
- Czy ten telefon n73 może współpracować z tym układem U3 ATmega 32 ? Dlaczego TAK/NIE może pracować o co tu chodzi?
- Jeśli może pracować to pod które wejścia (styki) w telefonie mam je podłączyć jeśli chcę to zrobić na stałe bez przewodu standardowego do Nokii?
Dziękuje za pomoc POZDRo