logo elektroda
logo elektroda
X
logo elektroda
REKLAMA
REKLAMA
Adblock/uBlockOrigin/AdGuard mogą powodować znikanie niektórych postów z powodu nowej reguły.

[AVR] [Bascom] Buzer nie wydaje dźwięku

zimzia@ 19 Cze 2011 11:55 2248 8
REKLAMA
  • #1 9628630
    zimzia@
    Poziom 12  
    Witam

    Mam taki mały problemik a mianowicie nie piszczy buzer.
    Buzer ma wbudowany generator oznaczenia to TMB1212, znalazłem notę katalogową, końcowa 12 to znaczy ze na 12V ale sprzedawca zapewniał mnie że na 5V tez będzie działać i rzeczywiści jak podłącze bezpośrednio na 5V to piszczy. W układzie miałem rezystor 10K to nie piszczal, zmieniłem na 4.7k i tż cisza ale gdy go tak pstryknę palcami to piszczy wyłącza się po 1s (tak ustawione w programie) po 1s ma się znowu włączyć i znowu trzeba go pstryknąć. Mam dwa różne od siebie buzery i to samo.

    Może to zachowanie być spowodowane że buzer jest na 12V ?

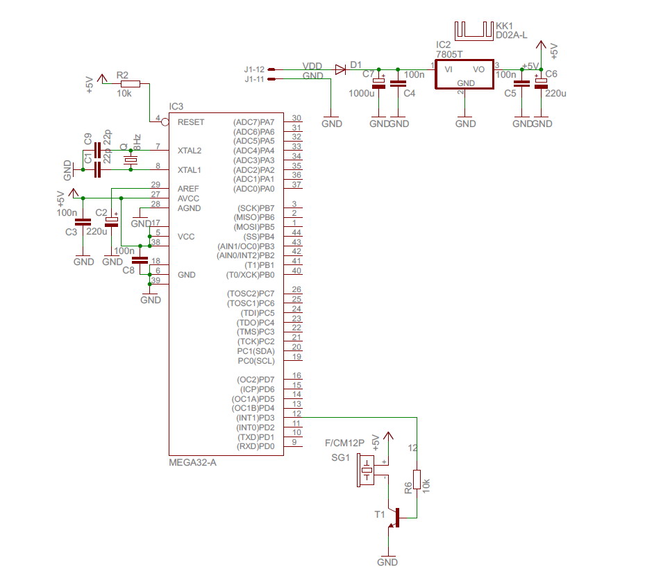
    Tak mam podłączone:

    [AVR] [Bascom] Buzer nie wydaje dźwięku

    i program:
    Kod: text
    Zaloguj się, aby zobaczyć kod
  • REKLAMA
  • #3 9628693
    zimzia@
    Poziom 12  
    Sprawdzałem miernikiem czy się pojawia napięcie i jest 5V tylko że nie spada do 0 po jakimś tam czasie gdy buzer ma się wyłączyć tylko do -1,5V ?

    Dodano po 20 [minuty]:

    Po zmianie Port na Pin bez zmian, podłączyłem diodę i mruga a buzer nic.
  • REKLAMA
  • REKLAMA
  • Pomocny post
    #6 9628791
    Fredy
    Poziom 27  
    Przełącz ten buzzer przed stabilizator (najprawdopodbniej masz tam około 12V) wtedy bedzie działać.
  • Pomocny post
    #7 9628805
    mirekk36
    Poziom 42  
    Po pierwsze to zmień ten tranzystor na bazie z 10K na jakieś 2,2K

    A po drugie to oczywiście że może to być spowodowany tym że jest na 12V i nie zawsze słuchaj sprzedawcy - bo jego interes to jak najszybciej wypchnąć coś z magazynu do klienta. Tak jak pisze Fredy podłącz go pod 12V przed stabilizator i ruszy.

    A na przyszłość opieraj się zawsze na notach PDF zamiast na poradach sprzedawcy - sam widzisz, że tak lepiej się wychodzi.
  • REKLAMA
  • Pomocny post
    #8 9628831
    Fredy
    Poziom 27  
    I popraw program :

    Kod: text
    Zaloguj się, aby zobaczyć kod


    albo lepiej tak:

    Kod: text
    Zaloguj się, aby zobaczyć kod
  • #9 9628847
    zimzia@
    Poziom 12  
    Na schemacie jest 10K ale na płytce jest 4.7 (pierwszy post). A program to tylko tak dla sprawdzenia buzera.

    Dodano po 12 [minuty]:

    mirekk36 napisał:
    Po pierwsze to zmień ten tranzystor na bazie z 10K na jakieś 2,2K


    Zmieniłem na 2.2 i wszystko działa :D
REKLAMA