#1 9657071 27 Cze 2011 23:58 Konto nie istnieje Konto nie istnieje Poziom 1 #1 9657071 27 Cze 2011 23:58 Proszę o zamieszczenie w temacie lub kontakt na PW. Dziękuję.
Pomocny post #2 9657081 28 Cze 2011 00:03 zeimp zeimp Moderator na urlopie... Pomocny post? (+1) Pomocny post #2 9657081 28 Cze 2011 00:03 Schemat silnika miałbym, ale FH12 i co dalej?
#3 9657096 28 Cze 2011 00:07 Konto nie istnieje Konto nie istnieje Poziom 1 #3 9657096 28 Cze 2011 00:07 Chodzi o Volvo FH12 460 rocznik 2004, poprawiłem tytuł. Czy możesz zamieścić albo przesłać na maila?
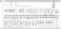
Pomocny post #4 9657116 28 Cze 2011 00:15 zeimp zeimp Moderator na urlopie... Pomocny post? (+2) Pomocny post #4 9657116 28 Cze 2011 00:15 A tutaj od 2004r.
#5 9657123 28 Cze 2011 00:17 Konto nie istnieje Konto nie istnieje Poziom 1 #5 9657123 28 Cze 2011 00:17 Bardzo dziękuję.