logo elektroda
logo elektroda
X
logo elektroda
REKLAMA
REKLAMA
Adblock/uBlockOrigin/AdGuard mogą powodować znikanie niektórych postów z powodu nowej reguły.

Pioneer AVH-3300BT + box GPS NAVIHEAVEN

pepe_lodz 04 Lip 2011 18:05 9408 6
REKLAMA
  • #1 9681617
    pepe_lodz
    Poziom 15  
    Witam
    Mam takie radyjko jak w tytule i rozeznałem sie w temacie ze mozna do niego podpiąć moduł nawigacji Pioneer lub np taki firmy PHANTOM

    Link
    za pomoca takiego kabelka
    Link

    i wtedy dziala nawigacja na radyjku z mapami jakie chcemy. Jednak jest to troche kosztowne i zastanawiam sie czy nie daloby sie przerobić modułu nawigacji NAVIHEAVEN GPS BOX
    Link

    tylko trzeba by pewnie przerobic kable podlaczeniowe. Moze posiada ktos jakas rozpiske wyjscia 13 pinowego naviheaven i gniazda wejsciowego dla nawigacji takiego z tyłu radia zółte i jak na kabelku ktorego link zamiescilem(prostokatne gniazdo). Bo wtedy mysle ze daloby rade zrobic za mniejsze pieniadze...
  • REKLAMA
  • #2 9749539
    tomdur
    Poziom 11  
    Witam serdecznie

    Kupiłem radio Pioneer AVH-3300BT, zainstalowałem w Hondzie CR-V 2004r i wynikły dwa problemy:

    1. Nie mogę wyłączyć radia. Do radia dołączone było oryginalne złącze ISO. Dokupiłem przejściówkę ISO do połączenia z oryginalną kostką Hondy CR-V. Niestety po podłączeniu radio nie chce się wyłączyć. Naciskam i trzymam przycisk SRC/OFF i radio przechodzi w tryb DEMO. Dopiero po naciśnięciu przycisku MODE gaśnie wyświetlacz ale podświetlenie przycisków nadal jest aktywne i nie gaśnie. Gaśnie wszystko dopiero po przekręceniu kluczyka w stacyjce do położenia OFF. Gdzieś na forum doczytałem się że trzeba wyłączyć funkcję DEMO, ale nie wiem jak to zrobić. Mam instrukcję w języku polskim, przewertowałem ją gruntownie i nic na ten temat nie znalazłem poza tym że trzeba nacisnąć i przytrzymać przycisk SCR/OFF

    2. Podłączyłem do radia kamerę cofania taką ja pod tym linkiem http://esklep.spidernet.pl/product_info.php?&products_id=167542 i na wyświetlonym obrazie pojawia mi się napis:

    CAUTION:
    Screen image may appear reversed.

    UWAGA:
    Obraz na ekranie może pojawić się odwrócony.

    Czy to jest standardowy tekst wyświetlany na ekranie tego modelu przy każdym załączeniu kamery? Czy można to jakoś wyłączyć. Kamera jest z funkcją lustrzanego odbicia. Obraz pojawia się prawidłowy czyli lewa jest lewą a prawa jest prawą stroną.

    Proszę o pomoc.
  • REKLAMA
  • #3 10220197
    tomdur
    Poziom 11  
    Problem z wyłączaniem trybu DEMO i wyłączaniem radia rozwiązany.

    W moim radyjku działa to tak:

    Aby wyłączyć tryb DEMO trzeba nacisnąć i przytrzymać przycisk SRC OFF aż w lewym górny rogu pojawi się napis Source Off a następnie nacisnąć i przytrzymać przycisk MUTE
    Aby wyłączyć radio trzeba nacisnąć i przytrzymać przycisk SRC OFF aż w lewym górny rogu pojawi się napis Source Off a następnie przycisk MODE
  • REKLAMA
  • #4 10220265
    pepe_lodz
    Poziom 15  
    Aby wyłączyć radio trzeba nacisnąć i przytrzymać przycisk SRC OFF aż w lewym górny rogu pojawi się napis Source Off a następnie przycisk MODE

    Akurat ten sposob chyba jesli jest podlaczona nawigacja nie zadziala. Ale musze sprawdzic pozniej.
  • #5 10220613
    Kowi_87
    Poziom 10  
    Hej
    A jak sie sprawy maja z tym modułem GPS, odpalił kolega to na pionku?
  • #6 10289789
    katoda
    Poziom 20  
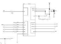
    Raczej mało prawdopodobne ale możesz kombinować. Tu masz rozpisane gniazdo boxa.

    Pioneer AVH-3300BT + box GPS NAVIHEAVEN
  • REKLAMA
  • #7 10746699
    dafior
    Poziom 11  
    No i jak poszło - działa coś?
REKLAMA