Witam, zwracam się z prośbą sprawdzenia schematu.
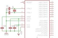
Chodzi mi o to czy dobra podłączyłem AREF(do masy przez kondensator 100nF), AVCC(do masy przez kondensator 100nF oraz do wyższego potencjału). Przeczytałem gdzieś, że można podłączyć przez dławik, ale czy jeśli podłącze prosto do +5v to będzie działać ADC?
Schemat:
Pzdr MacGyver
Chodzi mi o to czy dobra podłączyłem AREF(do masy przez kondensator 100nF), AVCC(do masy przez kondensator 100nF oraz do wyższego potencjału). Przeczytałem gdzieś, że można podłączyć przez dławik, ale czy jeśli podłącze prosto do +5v to będzie działać ADC?
Schemat:
Pzdr MacGyver