Witam!
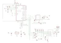
Mam do was pytanie, dlaczego pojawia się taki przebieg bezpośrednio z mikrokontrolera? Straszne zniekształcenia się robią.
Układ jest dość prosty, bezpośrednio na tej nóżce podłączony jest dzielnik napięcia a za nim wyświetlacz (z Siemens S65). Możliwe że wewnętrzna budowa ATMegi jest tak kiepska, że przy wyższych częstotliwościach wychodzą takie przebiegi?
Na dzielniku napięcia mam taki przebieg.
On jest spowodowany pojemnością układu?
Pin jest podciągnięty do +5V ponieważ podłączony do niego jest także zegar czasu rzeczywistego (DS1302).
Takie przebiegi pojawiają się na pinie CLK od SPI.
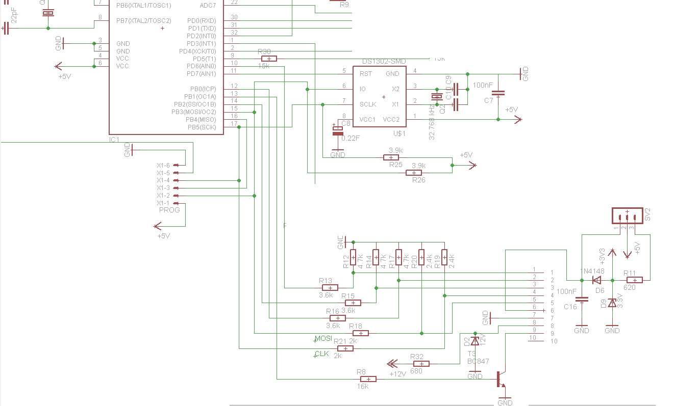
Mam do was pytanie, dlaczego pojawia się taki przebieg bezpośrednio z mikrokontrolera? Straszne zniekształcenia się robią.
Układ jest dość prosty, bezpośrednio na tej nóżce podłączony jest dzielnik napięcia a za nim wyświetlacz (z Siemens S65). Możliwe że wewnętrzna budowa ATMegi jest tak kiepska, że przy wyższych częstotliwościach wychodzą takie przebiegi?
Na dzielniku napięcia mam taki przebieg.
On jest spowodowany pojemnością układu?
Pin jest podciągnięty do +5V ponieważ podłączony do niego jest także zegar czasu rzeczywistego (DS1302).
Takie przebiegi pojawiają się na pinie CLK od SPI.
