Witam.
Temat był już poruszany ale bardzo dawno temu i w sumie nic konkretnego z tamtych dyskusji nie wynikło.
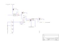
Ja poszedłem o krok dalej i wykonałem prosty układ a raczej na razie sam schemat układu do podtrzymania pracy silnika po wyłączeniu stacyjki w celu schłodzenia rozgrzanej turbiny w silnikach diesla jak i benzynowych.
Układ jest bardzo prosty, czas podtrzymania ustawia się trzema włącznikami które włączają do układu szeregowo podpięte kondensatory.
Po załączeniu stacyjki ładują się kondensatory C1...C4 a po wyłączeniu stacyjki napięcie z kondensatorów poprzez oporniki R3 i R4 otwiera bramki tranzystorów Q1, Q2, Q3 (BC548B).
Tranzystor Q1 służy tylko do włączania diody D2 wskazującej pracę "na kondensatorach" czyli podtrzymanie zasilania. Natomiast tranzystory Q2 oraz Q3 (spięte równolegle) służą do włączenia zasilania cewki przekaźnika która załącza zasilanie do ECU (komputer silnika).
Dioda D5 sygnalizuje włączony zapłon (ładowanie kondensatorów).
Dioda zenera służy do zatrzymania prądu by po wyłączeniu stacyjki dioda D5 nie rozładowała kondensatorów oraz by prąd z nich nie wrócił się na instalacje samochodu.
Dioda D4 sygnalizuje załączenie przekaźnika.
Dioda D3 sygnalizuje uruchomione urządzenie (zasilanie z akumulatora).
Całość zabezpieczona jest bezpiecznikiem 3,15A.
Teraz małe pytanie, czy ten układ będzie działać ?
Zrobiłem wstępny "pajączek" i tranzystory załączają cewkę na około 64sekundy.
Pozostaje tylko kwestia by ktoś z doświadczeniem wypowiedział się czy taki układ będzie pracować poprawnie.
Pozdrawiam i czekam na wszelkie sugestie.
P.S.
Tak wygląda turbina po "ostrej" jeździe.

Temat był już poruszany ale bardzo dawno temu i w sumie nic konkretnego z tamtych dyskusji nie wynikło.
Ja poszedłem o krok dalej i wykonałem prosty układ a raczej na razie sam schemat układu do podtrzymania pracy silnika po wyłączeniu stacyjki w celu schłodzenia rozgrzanej turbiny w silnikach diesla jak i benzynowych.
Układ jest bardzo prosty, czas podtrzymania ustawia się trzema włącznikami które włączają do układu szeregowo podpięte kondensatory.
Po załączeniu stacyjki ładują się kondensatory C1...C4 a po wyłączeniu stacyjki napięcie z kondensatorów poprzez oporniki R3 i R4 otwiera bramki tranzystorów Q1, Q2, Q3 (BC548B).
Tranzystor Q1 służy tylko do włączania diody D2 wskazującej pracę "na kondensatorach" czyli podtrzymanie zasilania. Natomiast tranzystory Q2 oraz Q3 (spięte równolegle) służą do włączenia zasilania cewki przekaźnika która załącza zasilanie do ECU (komputer silnika).
Dioda D5 sygnalizuje włączony zapłon (ładowanie kondensatorów).
Dioda zenera służy do zatrzymania prądu by po wyłączeniu stacyjki dioda D5 nie rozładowała kondensatorów oraz by prąd z nich nie wrócił się na instalacje samochodu.
Dioda D4 sygnalizuje załączenie przekaźnika.
Dioda D3 sygnalizuje uruchomione urządzenie (zasilanie z akumulatora).
Całość zabezpieczona jest bezpiecznikiem 3,15A.
Teraz małe pytanie, czy ten układ będzie działać ?
Zrobiłem wstępny "pajączek" i tranzystory załączają cewkę na około 64sekundy.
Pozostaje tylko kwestia by ktoś z doświadczeniem wypowiedział się czy taki układ będzie pracować poprawnie.
Pozdrawiam i czekam na wszelkie sugestie.
P.S.
Tak wygląda turbina po "ostrej" jeździe.
