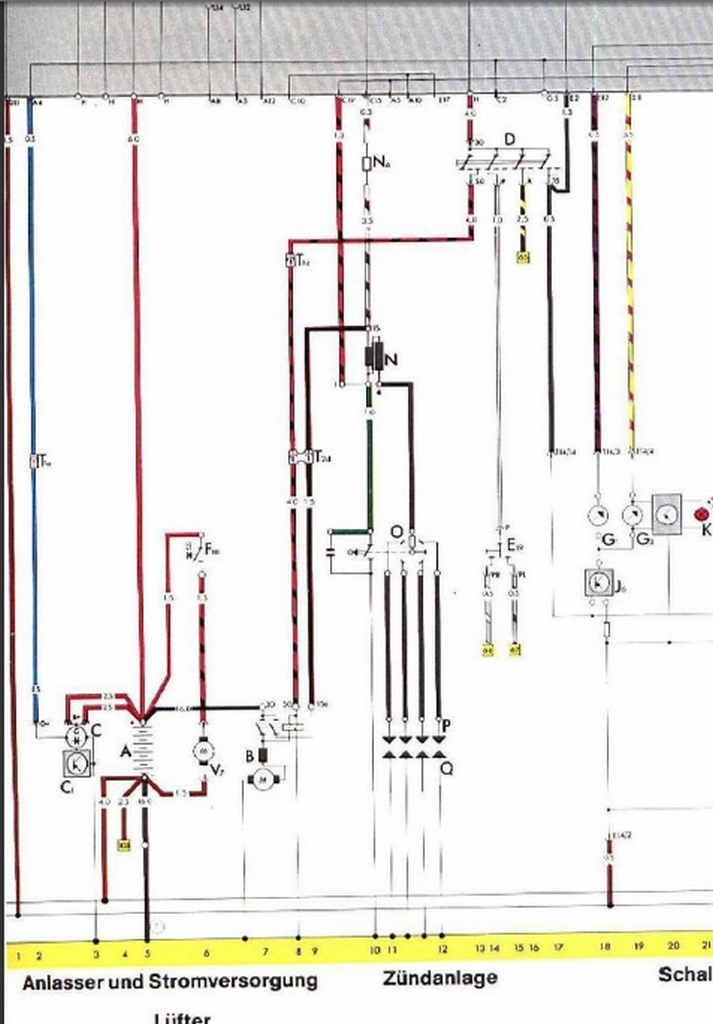
Rozrusznik – to Kolega kojarzy, prawda?
Natomiast cewka zapłonowa: 15 do plusa a 1 do aparatu zapłonowego, na kondensator.
Cewkę zapłonową dobrze przymocować do silnika lub jej masę doprowadzić dodatkowym przewodem do kadłuba silnika.
N6 to opornik dodatkowy, powinien być na przewodzie z samochodu; na tą chwilę pracy nie jest wymagany. N to cewka, O - rozdzielacz/aparat zapłonowy, C - alternator, B - rozrusznik, A - akumulator.
