logo elektroda
logo elektroda
X
logo elektroda
REKLAMA
REKLAMA
Adblock/uBlockOrigin/AdGuard mogą powodować znikanie niektórych postów z powodu nowej reguły.

Vw T4 2.0 b/g Jest iskra nie odpala

dennismeyer 24 Lip 2011 01:21 6707 13
REKLAMA
  • #1 9751676
    dennismeyer
    Poziom 10  
    Witam wszystkich Kolegów Forumowiczy jestem tu nowy wiec jak cos zle robie dajcie znac :)
    Wiec przejdę do tematu mam t4 1993 rok 2.0 b/g na pelnym wtrysku AAC silnik
    i mam problem niedawno spalila mi sie instalacja i po wymianie nie odpala sprawdzilem Pompe paliwowa w zbiorniku i podaje wszystko ok
    mam problem tego typu ze paliwo dochodzi do listwy zasilajacej a dalej nie jakby na listwie cos zamkniete bylo walcze z nim juz tydzien i to jest robota bez sensu.. Iskra jest drugi komp tez podlaczony wszystko jak nalezy i nie Pali

    POMOCY!

    Moderowany przez CameR:

    Usunąłem z tekstu, niezgodne z regulaminem forum "ozdobniki".

  • REKLAMA
  • #2 9751774
    emeryt2
    Poziom 42  
    Co jest potrzebne do odpalenia silnika ... iskra i paliwo w cylindrze / pomijając inne/.
    Co z listwy z paliwem podaje benzynę do cylindrów? Czy emulator wtrysków sprawdzałeś?Sterowanie wtryskiwaczy jest?
  • REKLAMA
  • #3 9751825
    grala1
    Specjalista grupy V.A.G.
    Sprawdź połączenie wtryskiwaczy z komputerem, zobacz czy jest 12V pomiędzy jednym z przewodów na wtryskiwaczu a masą auta przy włączonym zapłonie.
  • #4 9752498
    dennismeyer
    Poziom 10  
    Wiec tak na kostce na listwie od strony rozrządu mam 11.7v czyli dobry prąd kolego emeryt2 a powiedz w jaki sposób wtryski otwierają wlot paliwa na cylindry ??
  • #5 9752539
    Konto nie istnieje
    Konto nie istnieje  
  • REKLAMA
  • #6 9752565
    dennismeyer
    Poziom 10  
    Kolego chodzi mi jak się one elektronicznie otwierają bo chce spróbować podłączyć je na krótko
  • Pomocny post
    #7 9752641
    Konto nie istnieje
    Konto nie istnieje  
  • #8 9752941
    emeryt2
    Poziom 42  
    Jeżeli na zasilaniu wtrysków w/g Ciebie masz 12V i określasz to jako prąd , to z podpisu szybko zlikwiduj "elektronik" , bo to wstyd!
    We wtryskiwaczach są cewki , które pod wpływem przyłożonego napięcia , podnoszą iglicę wtrysku , która otwiera ujście paliwa pod ciśnieniem. Czas otwarcia reguluje ilość dostarczanego paliwa!
  • #9 9755133
    dennismeyer
    Poziom 10  
    i mam problem mianowicie mam na listwie normalne napięcie 12v i dalej podaje normalnie zas na wtryski nie podaje tak jakby nie przyjmowaly na kablach jest normalnie 12 a dalej jakby uciekalo najgorszy problem jest w tym ze jest to wszystko bezposrednio sterowane z gł. kompateraz pytanie co podlączyc do kompa za podcisnienie mam w kompie jakies wejscie i nie wiem od czego dzis po podlaczeniu Lunch wyskoczyl mi jakis blad sekcji wtryskowej czy cos takiego i przy polozeniu problemu wyswietla Brak Info ja juz nie wiem co z nim zrobic chyba sam LPG podłacze i wio bo juz mi sie nerwy kończą mam komputer SIEMENS 5WP4 092
    VW 044 906 022 M i sie zastanawiam co to za podcisnienie idzie

    Dodano po 1 [minuty]:

    do kol Emeryt Wybacz ale juz z pospiechu napisalem wiem ze napięcie 12v pozdrawiam i spokojnego wieczoru życzę

    Dodano po 1 [minuty]:

    i ja nie mam na wtryski takiego napięcia tylko na Listwie a na wtryski na ten głowny rozdzielacz wchodzi 12 a dalej jakies 0.8 wchodzi
  • REKLAMA
  • #10 9755227
    Pawel wawa
    VIP Zasłużony dla elektroda
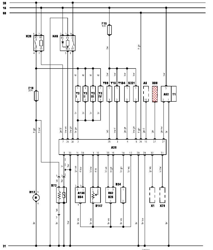
    Zobacz kluczowanie wtrysków masą, tego nie masz. Zapoznaj się ze schematem i sprawdź dokładnie zasilanie i masy na komputerze. Diagnozuj to auto zwykłym VAG'iem.
  • #11 9755364
    grala1
    Specjalista grupy V.A.G.
    Napisz czy był tam fabrycznie zamontowany katalizator to wkleję Ci schematy do niego.
  • #12 9763341
    dennismeyer
    Poziom 10  
    Był tam fabrycznie montowany KAT Mam przerobiony tlumik<LPG> ale KAT od początku był w nim
  • Pomocny post
    #13 9767069
    Konto nie istnieje
    Konto nie istnieje  
  • #14 10184160
    dennismeyer
    Poziom 10  
    Witam T4ka chodzi problemem była urwana dodatkowa masa do 2 wtrysku wszystko rozwiązane kolego jorge83 podziekował za schemacik przydał sie.Zamykam
REKLAMA