logo elektroda
logo elektroda
X
logo elektroda
REKLAMA
REKLAMA
Adblock/uBlockOrigin/AdGuard mogą powodować znikanie niektórych postów z powodu nowej reguły.

Pojemnościowy przełącznik dotykowy PIC

emer2 27 Lip 2011 13:08 9108 0
REKLAMA
  • Pojemnościowy przełącznik dotykowy PIC

    Obwód został zmontowany na płytce stykowej dla wykonania testów i sprawdzenia poprawności działania układu. Jest to pojemnościowy sensor dotykowy. Projekt jest kontynuacją doświadczeń nad rezystancyjnym sensorem dotykowym, a także projektem opisanym jako "AC Hum touch sensor". Początkowo autor zastanawiał się nad sterowaniem analogowym oraz zastosowaniem sterowania cyfrowego wykorzystując mikrokontroler PIC. Okazało się, że lepsze będzie sterowanie cyfrowe, ponieważ jest to prostszy i kompaktowy obwód sensora pojemnościowego. Na stronie projektu znajduje się filmik, na którym zobaczyć można, jak działa taki sensor. Autor zachęca do zapoznania się z teorią sensorów dotykowych, którą publikuje na swojej stronie internetowej (link na końcu artykułu).
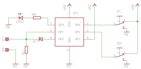
    Poniżej znajduje się schemat ideowy projektu:

    Pojemnościowy przełącznik dotykowy PIC

    Płytka z padem dotykowym dołączana jest do punktów oznaczonych E1-E2. Częstotliwość jest określana za pomocą rezystora R1. Dodatkowo w układzie znajdują się dwa przełączniki S1 i S2. Przełącznik S1 jest dołączony do wejścia GP5 i jest odpowiedzialny za tryb pracy. Jeżeli przełącznik ten jest w stanie niskim, to sensor dotykowy działa jako przycisk. Natomiast, gdy przełącznik S1 jest w stanie wysokim, to sensor będzie działał jako przełącznik dwustanowy. Drugi przełącznik S2 jest podłączony do wejścia GP4 i służy do określenia czułości sensora. Gdy jest w stanie niskim, to czułość sensora jest mała, natomiast gdy przełącznik S1 będzie w stanie wysokim, to czułość sensora będzie większa.

    Pojemnościowy przełącznik dotykowy PIC

    Na stronie źródłowej znajduje się kod źródłowy dla mikrokontrolera PIC. Można go pobrać za darmo.

    Poniżej link do artykułu na temat sensorów dotykowych:
    Link

    Poniżej link do strony źródłowej artykułu:
    Link

    Fajne? Ranking DIY
    O autorze
    emer2
    Tłumacz Redaktor
    Offline 
    Specjalizuje się w: projektowanie i montaż elektroniki
    emer2 napisał 434 postów o ocenie 56. Mieszka w mieście Warszawa. Jest z nami od 2008 roku.
  • REKLAMA
REKLAMA