Witam.
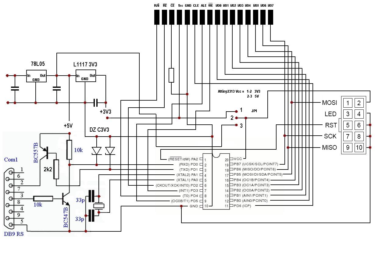
Chciałbym się was zapytać i ewentualnie poznać opinę/porady na temat możliwości obsługi odczytu i zapisu pamięci NANDflash które są dostępne we wszystkich odtwarzaczach mp3 i pendrivach. Ostatnio zawładnęła mną chęć zrobienia prostego programatora pamięci NANDflash ,gdyż kupno programatora no to , już nie na moją kieszeń. Chodzi mi o możliwość zaprogramowania/przeprogramowania poszczególnych adresów . Możliwość odczytu całej "kostki" mam poprzez podłączenie jej spowrotem do konstrukcji karty MemoryStick używanej do niedawna w PSP. W tym nie problem. Ale jak to się ma jeśli chcę zapisać coś w konkretny adres? Poniżej zamieszczam fragment kodu w BASCOMie i ewentualnie rysunki/diagramy potrzebne by zrozumieć z czym tu przychodzę. Dziękuję z góry wszystkim za wszelkie sugestie i uwagi.
Chciałbym się was zapytać i ewentualnie poznać opinę/porady na temat możliwości obsługi odczytu i zapisu pamięci NANDflash które są dostępne we wszystkich odtwarzaczach mp3 i pendrivach. Ostatnio zawładnęła mną chęć zrobienia prostego programatora pamięci NANDflash ,gdyż kupno programatora no to , już nie na moją kieszeń. Chodzi mi o możliwość zaprogramowania/przeprogramowania poszczególnych adresów . Możliwość odczytu całej "kostki" mam poprzez podłączenie jej spowrotem do konstrukcji karty MemoryStick używanej do niedawna w PSP. W tym nie problem. Ale jak to się ma jeśli chcę zapisać coś w konkretny adres? Poniżej zamieszczam fragment kodu w BASCOMie i ewentualnie rysunki/diagramy potrzebne by zrozumieć z czym tu przychodzę. Dziękuję z góry wszystkim za wszelkie sugestie i uwagi.
Kod: text