logo elektroda
logo elektroda
X
logo elektroda
REKLAMA
REKLAMA
Adblock/uBlockOrigin/AdGuard mogą powodować znikanie niektórych postów z powodu nowej reguły.

Eyebrid 4Y450 jak pominąć zabezpieczenia wzmacniacza lub zwiększyć moc.

RsNeo 30 Lip 2011 23:42 3358 12
REKLAMA
  • #1 9776841
    RsNeo
    Poziom 19  
    Witam kolegów.
    Z góry powiem: Biorę na siebie pełną odpowiedzialność za szkody i wszystkie następstwa które powstaną po tej modyfikacji wzmacniacza.

    Teraz do rzeczy.
    Jak wiadomo posiadam wzmacniacz Eyebrid 4Y450.
    Jest to cztero-kanałowa konstrukcja o mocy w RMS:
    Opór głośnika Kanał 1,2 Kanał 3,4
    4 Ohm Stereo: 2x50W + 2x100W
    2 Ohm Stereo: 2x75W + 2x150W
    4 Ohm Stereo: 1x150W + 1x300W

    U mnie pracuje w konfiguracji:
    kanał 1 oraz 2 przednie zestawy (drzwi) po 3 Ohm na kanał czyli opór dwóch przednich kanałów mieści się w zaleceniach producenta.

    Teraz sedno sprawy:
    Na kanałach 3 oraz 4 pracują dwa subwoofery po 4 Ohm każdy.
    Jak są podpięte w konfiguracji kanał 3 - 4Ohm + kanał 4 - 4Ohm to wzmacniacz pracuje prawidłowo bo nie są przekroczone jego parametry pracy.

    Jednakże wzmacniacz posiada opcję mostkowania kanałów, odpowiednio 1 z 2 oraz 3 z 4.
    Kanały 3 i 4 jak widać są mocniejsze i tu chcę w mostku podpiąć owe subwoofery w konfiguracji równoległej - czyli 2 Ohm czego producent w tej konstrukcji nie uwzględnił.
    Oczywiście jak to polak ;) podłączyłem to w takiej konfiguracji, czyli w mostku kanałów 3 z 4 i w połączeniu równoległym głośników czyli 2 Ohm.
    wzmacniacz owszem grał i to naprawdę niesamowicie głośno lecz po trzech może czterech uderzeniach basów wzmacniacz się wyłącza mrugając diodą protect - czyli uszkodzenie/awaria. Po resecie wzmacniacz rusza i znów sytuacja się powtarza.

    Tu moje pytanie czy ktoś się orientuje jak wyłączyć, permanentnie odciąć zabezpieczenie przeciwzwarciowe lub przeciw przeciążeniowe w tym wzmacniaczu ? Lub jak go przerobić by pracował normalnie przy oporze 2 Ohm ?

    Z góry dziękuję za odpowiedzi związane z tematem.

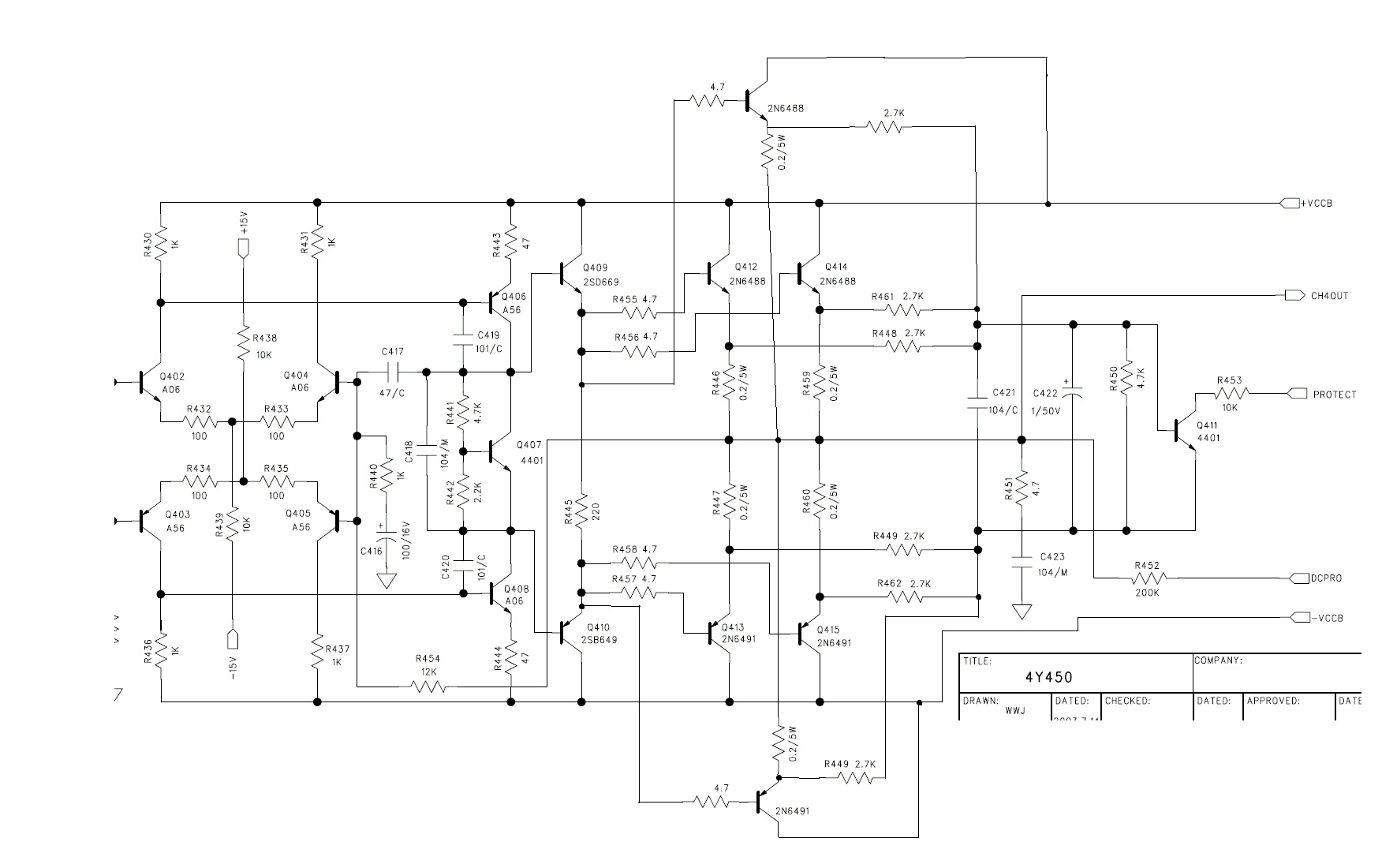
    Poniżej link do schematu:
    https://www.elektroda.pl/rtvforum/download.php?id=430023
  • REKLAMA
  • #2 9776890
    fichu4
    Poziom 21  
    Witam.Najprościej to wylutuj tranzystor z kanału 3 i 4 czyli ( Q311 i Q411 )
  • REKLAMA
  • #3 9776922
    BlueSystem
    Poziom 28  
    Jesteś świadomy tego, że spalisz tak wzmacniacz ?
  • #4 9776987
    RsNeo
    Poziom 19  
    BlueSystem Jestem świadom tego.

    fichu4 Dziękuję za pomoc to wyłączy zabezpieczenie a może masz pomysł na jakie tranzystory końcowe zamienić oryginały by wytrzymały obciążenie 2Ohm ?


    P.S.
    Bezsenna noc ? :)
  • #5 9777264
    powalla
    Moderator CarAudio
    Pomyślałeś , że jakby to był taki "mały pikuś" i wystarczyłoby jakieś 2 scalaczki za 3zł wymienić na inne i już wzmacniacz byłby stabilny do 1 ohma na kanał , to wszyscy producenci sprzętu CA robiliby to nagminnie? Takich piecy jest bardzo mało i najczęściej to stare konstrukcje , bo te nowe to nawet z głośnikiem niby 4ohm (np. taki Hertz ES300) sobie nie radzą jak impedancja jest " jakaś trudniejsza" w jej przebiegu ;)
  • #6 9777859
    bogus1984
    Poziom 26  
    Dlaczego chcesz w ten sposób zakończyć żywot tego dobrego wzmacniacza ?? Sorry za OT, ale mocno byłem napalony na ten wzmacniacz, jak miałeś go na Alledrogo, teraz się cieszę, że go nie wziąłem. Naprawdę przepraszam, że nic nie wniosłem do tematu.
  • REKLAMA
  • #7 9778272
    RsNeo
    Poziom 19  
    bogus1984 nie wiem czemu się cieszysz, że go nie kupiłeś to dobry wzmacniacz i jestem z niego zadowolony ale ma za mało mocy ;)

    I włąsnie w związku z tym wymyśliłem by dołożyć jeszcze po jednym tranzystorze na kanał.
    Tylko pytanie do kolegów którzy się lepiej ode mnie znają czy to zadziała ?

    Tu obrazek mojej przeróbki:
    To ma racje bytu ?
    Eyebrid 4Y450 jak pominąć zabezpieczenia wzmacniacza lub zwiększyć moc.

    Pozdrawiam brać lutującą.
  • REKLAMA
  • #8 9778288
    qstosz
    VIP Zasłużony dla elektroda
    To może sprzedaj go póki działa i kup coś co podoła tym głośnikom.
  • #9 9778313
    cursor
    Poziom 30  
    Inna opcja to dokupić jakieś mono, a te 4 kanały przeznaczyć na przód(biamp, aktywny podział itp.)
  • #10 9778315
    RsNeo
    Poziom 19  
    Brak funduszy i niestety nie opłaca się sprzedawać tego wzmacniacza, a mam do niego dużo części zapasowych (tranzystory końcowe i przetwornicy) więc mogę coś podziałać.
    Z tąd to pytanie czy można w tym układzie dołożyć parę tranzystorów końcowych.
  • #11 9778481
    bogus1984
    Poziom 26  
    RsNeo, dlatego się cieszę, ponieważ poznałem jego stan zanim został zreanimowany - ot dlaczego. Za mocno dłubany jest :D
  • Pomocny post
    #12 9783373
    fichu4
    Poziom 21  
    Dołożenie dodatkowych tranzystorów w końcówce nie zwiększy mocy musiałbyś zwiększyć napięcie zasilania z przetwornicy napięcia czyli przewinąć transformator ten od kanałów 3 i 4.
  • #13 9785759
    RsNeo
    Poziom 19  
    Czyli dokładanie tranzystorów nic nie da ?. Szkoda.
    A napięcia na tranzystory nie podniosę bo i tak pracują już one z maksymalnym dopuszczalnym napięciem.
REKLAMA