Witam.
Mam pytanie odnośnie programowania. Czy jeżeli kupię taki konwerter :
http://laro.com.pl/index.php5/sklep/osp_kom/4308
oraz podłączę procesor Atmega 8 tak jak poniżej, to czy będę w stanie go zaprogramować poprzez ten konwerter?
Pytanie pewnie banalne, ale dla mnie bardzo ważne, gdyż nie miałem nigdy do czynienia z procesorami, a chciałbym w końcu zacząć. Bardzo proszę o odpowiedź oraz o nie kasowanie tego tematu pod pretekstem, że nie użyłem wyszukiwarki.
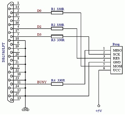
Mam pytanie odnośnie programowania. Czy jeżeli kupię taki konwerter :
http://laro.com.pl/index.php5/sklep/osp_kom/4308
oraz podłączę procesor Atmega 8 tak jak poniżej, to czy będę w stanie go zaprogramować poprzez ten konwerter?
Pytanie pewnie banalne, ale dla mnie bardzo ważne, gdyż nie miałem nigdy do czynienia z procesorami, a chciałbym w końcu zacząć. Bardzo proszę o odpowiedź oraz o nie kasowanie tego tematu pod pretekstem, że nie użyłem wyszukiwarki.


