logo elektroda
logo elektroda
X
logo elektroda
REKLAMA
REKLAMA
Adblock/uBlockOrigin/AdGuard mogą powodować znikanie niektórych postów z powodu nowej reguły.

Audi 80 b4, alarm+centralny pneumat, zamyka, nie otwiera.

bigben.cycu 18 Sie 2011 16:43 9614 19
REKLAMA
  • #1 9837498
    bigben.cycu
    Poziom 9  
    Witam,
    W samochodzie do tej pory miałem pod deską sterownik centralnego zamka na pilota (pilota nie mam, otwieranie z kluczyka). Wszystko działało ok. Teraz postanowiłem podpiąć alarm, przeciąłem przewód zielono niebieski wychodzący ze słupka (zgodnie ze schematem montażu) i podpiąłem przewody od alarmu do niego.

    1. Podpinam akumulator.
    2. uzbrajam alarm, drzwi się zamykają.
    3. rozbrajam alarm, rygle pasażera, kierowcy i klapy unoszą się i zamykają.

    Jedyna możliwość żeby otworzyć auto z pilota to ręczne pociągniecie rygla do góry (od pasażera lub kierowcy) i otwarcie z pilota, wtedy wszystkie drzwi się otwierają.

    Co ciekawe, zamieniam przewody z alarmu odwrotnie z przewodem niebiesko zielonym i jest tak:

    1. Uzbrajam na pilocie, drzwi się otwierają.
    2. rozbrajam na pilocie, drzwi się zamykają.

    Dlaczego teraz wszystko się otwiera tak jak powinno?


    Przeczytałem już wiele tematów, ale czegoś takiego nie widziałem.

    Dziękuję za pomoc.
  • REKLAMA
  • #2 9837676
    miler80
    Poziom 34  
    Podaj schemat jak się podpiąłeś alarmem, tam nic nie trzeba przecinać tylko odpowiednio się wpiąć.
  • #3 9838512
    bigben.cycu
    Poziom 9  
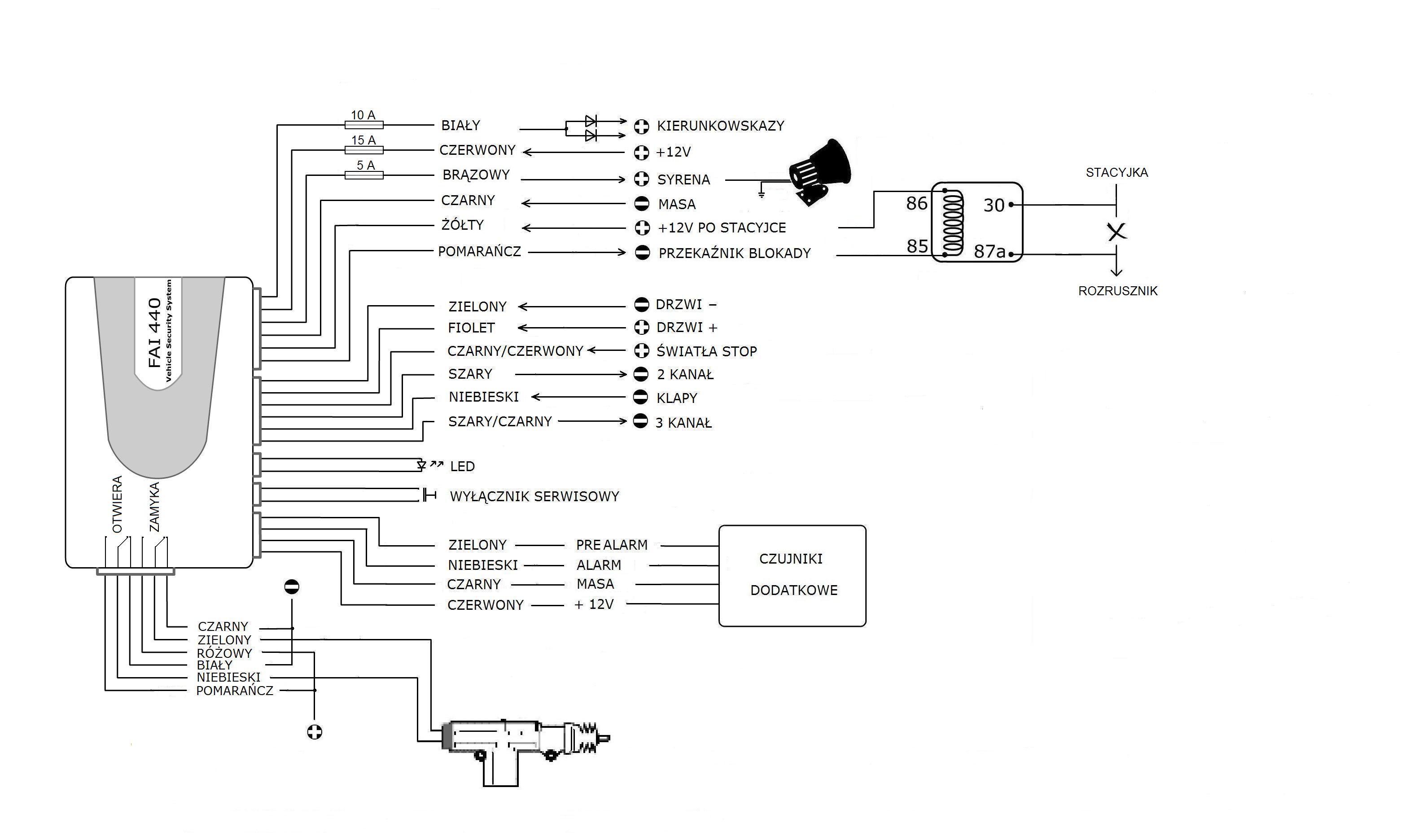
    Tu jest schemat montażu alarmu:
    Audi 80 b4, alarm+centralny pneumat, zamyka, nie otwiera.

    A tu podpięcie pod centralny:

    Audi 80 b4, alarm+centralny pneumat, zamyka, nie otwiera.

    Przewód zielono/niebieski wychodzący ze słupka kierowcy, przeciąłem, niebieski z centralki połączyłem z tym zielonym w stronę drzwi, a zielony z centralki w stronę konsoli.

    Zastosowałem schemat E.

    Czy podpięcie dwóch przekaźników rozwiąże problem?
  • #4 9838717
    miler80
    Poziom 34  
    Schemat o.k. powinno działać.... Zamień masę z +12 tak jak na schemacie bo prawdopodobnie +12 dałeś na przekaźnik zamykania a - masę na otwierania.
  • REKLAMA
  • #5 9838983
    bigben.cycu
    Poziom 9  
    W 1 poście napisałem, że próbowałem z +12 na zamknięcie i - na otwieranie, oraz odwrotnie. Jak jest +12 na zamknięcie, to wszystko się ładnie zamyka i otwiera, ale na pilocie mam odwrotnie, gdy uzbrajam alarm to się otwiera, a jak rozbrajam to zamyka. Jak jest odrotnie podpięte, to się zamyka i uzbraja ale już otworzyć się nie chce, pompa otwiera i po chwili zamyka zamki.
  • REKLAMA
  • Pomocny post
    #6 9839517
    emeryt2
    Poziom 42  
    Schemat E wymaga 2 przekaźników!!!
  • #7 9844206
    bigben.cycu
    Poziom 9  
    Dziękuję za pomoc. Podpiąłem te przekaźniki, ale teraz jest problem chyba z samym sterowaniem z centralki. Zamykam na pilocie, rygle idą w dół i za chwilę się podnoszą. Chciałem zmienić czas sterowania na 3 sek, ale nie mogę wybrać opcji w trybie programowania. Alarm Freeway.
  • #8 9844796
    Zico63
    Poziom 37  
    Ale w pneumatycznym nie przecinam przewodów a tylko się do nich wpinam.
    Daj jak było a jedynie dołącz przewody z alarmu do przewodów fabrycznych: zamknij do zamknij a otwórz do otwórz.
    No i te zdjęcia/rysunki dołącz tak by były bardziej czytelne i zgodnie z regulaminem.
  • #9 9845402
    bigben.cycu
    Poziom 9  
    Chwila, nie rozumiem.

    Cały czas mowa o przewodzie zielono/niebieskim, gdzie jest przemiennie + i -. Tak?

    Z Twojej wypowiedzi wynika (jeśli dobrze czytam), że nie przecinam przewodu drzwi->pompa (tak jak na schemacie), to jak ma być?

    Pozdrawiam.

    Moderowany przez Błażej:

    https://www.elektroda.pl/rtvforum/topic2053101.html
    Zamieść obrazki poprawnie!

  • #11 9847813
    Konto nie istnieje
    Konto nie istnieje  
  • REKLAMA
  • #12 9847882
    miler80
    Poziom 34  
    Hola hola nie kozakuj tak kolego, przecież napisał w 3 poście że zastosował schemat E działanie jego polega na tej samej zasadzie co Ty podałeś - przekaźniki wbudowane w moduł alarmu.
  • #13 9847908
    Konto nie istnieje
    Konto nie istnieje  
  • #14 9848420
    Zico63
    Poziom 37  
    Kolego Norbert.s.: nie wiem skąd u kolegi taka agresja? Gdyby Kolega przeczytał ze zrozumieniem co podałem, także link - nie musiałby się tak "rozgrzewać", co zresztą na forach nie jest lubiane, i używać co kawałek ulubionego chyba "milcz"...
    Sam na momentów kilka odszedłem od internetu (wiadomo, weekend) a teraz już odpowiadam na konkrety, i Koledze, i Koledze Bigben.cycu, i to bez uszczypliwości:
    Kolega Autor tematu posiada B4 gdzie jest sterowanie -/- czyli DOpina się tam do zielono-niebieskiego i żółto-niebieskiego, bez wykonywania przecięcia. W B3 jest to niemożliwe, wymaga przecięcia linii.
  • #15 9849604
    Konto nie istnieje
    Konto nie istnieje  
  • #16 9850230
    bigben.cycu
    Poziom 9  
    No i teraz zgłupiałem.

    Więc ja zrobiłem tak jak norbert.s pokazał na rysunku.

    Cytat:
    Wystarczy przeczytać instrukcję , konkretnie tabelę programowania.

    Oczywiście że przeczytałem instrukcję. Ale jest tak:
    1. Na wyłączonym alarmie przekręcam stacyjke i od razu wyłączam.
    2. Naciskam 3 razy przycisk serwisowy.
    3. Syrena przez chwile wyje. Do tej pory jest ok.
    4. Naciskam przycisk serwisowy 2 razy
    5. Syrena powinna piknąć 2 razy, a nic takiego nie robi.
    6. Po chwili znowu wyje co oznacza wyjście z trybu programowania.

    Myślę że po ustawieniu na 3 sek centralny działał by prawidłowo. Teraz jak naciskam zamykanie na pilocie to rygle idą w dół i za chwilę się podnoszą.

    Czy to wina alarmu? Uszkodzona centralka?

    Cytat:
    te kolory to brązowo-zielony i brązowo-szary.

    Mowa o przewodach wychodzących ze słupka kierowcy? Później sprawdze kolory, ale wg instrukcji montażu do b4 to centralny sterowany jest naprzemiennie plusem i minusem na zielono niebieskim kablu.
  • #17 9855421
    bigben.cycu
    Poziom 9  
    Okazało się że ta instrukcja dołączona do alarmu jest g... warta. Funkcje programuje się przyciskami na pilocie a nie wyłącznikiem serwisowym.

    Co do kabelków wychodzących z drzwi, u mnie jest,
    1. Rurka od powietrza
    2. kabelek zielono/niebieski
    3. brązowo szary
    4. czerwono czarny.

    Mimo wsysztko i tak nie działa otwieranie/zamykanie z pilota. Nie mam pojęcia, co jest nie tak, wczoraj polutowałem te przewody "pewne" na 100%, w takim połączeniu jak działało 2 dni wcześniej (zamykał z pilota ale od razu otwierał). A dzisiaj nawet przekaźnik nie pstryknie przy zamykaniu, tylko przy otwieraniu.
  • #18 9855837
    djswirek
    Poziom 21  
    Nie dopina a przecina , nie do zielono-niebieskiego i żółto-niebieskiego a albo do zielono-niebieskiego albo żółto-niebieskiego, autor tematu ma zielono niebieski więc do podłącza według schematu E lub najlepiej rysunku który dal Norbert s.
    Tam gdzie jest drzwi, to po przecięciu przewodu wpinasz w "wiszący" kabel idący do drzwi , to samo z wyjściem na pompę.

    A jak Ci przekaźnik "nie pstryka" to sprawdź raz jeszcze połączenia, i wyjścia z centralki czy pojawia się masa do wysterowania otwarcia i zamknięcia
  • #19 9855919
    CameR

    Moderator Zabezpieczeń Pojazdów
    djswirek napisał:
    autor tematu ma zielono niebieski

    Należy przewód przeciąć i masz dwa końce, jeden od strony silnika i drugi od strony drzwi.
    Na koniec od strony drzwi podamy (+) i autko się zamknie, a jak podasz (-) autko się otworzy.
    Pomogłem? Kup mi kawę.
  • #20 9857147
    Konto nie istnieje
    Konto nie istnieje  
REKLAMA