logo elektroda
logo elektroda
X
logo elektroda
REKLAMA
REKLAMA
Adblock/uBlockOrigin/AdGuard mogą powodować znikanie niektórych postów z powodu nowej reguły.

GDN 20/80 GDWK 10/80 GDM 12/60 Jaka zwrotnica i jaki litraz?

Wiesiek Pro 21 Sie 2011 11:49 3765 3
REKLAMA
  • #1 9846642
    Wiesiek Pro
    Poziom 9  
    Witam
    Jaka gotowa zwrotnice moge zamontowac do zestawu
    -gdn 20/80 8 ohm
    -gdm 12/60 8 ohm
    -gdwk 10/80 8 ohm
    Jesli chodzi o rodzaj obudowy to mam zamiar zrobic cos w stylu altusow z dwoma br.
    Prosze o podanie mi linkow do allegro ewentualnie stron producentow takowych zwrotnic oraz jaki litraz moge zastosowac do tego zestawu?

    Pozdrawiam
  • REKLAMA
  • #2 9846661
    wariato
    Poziom 43  
    Nie ma gotowych zwrotnic do takiego zestawienia. Ogólnie nie ma czegoś takiego jak gotowe zwrotnice. Każda zwrotnica jest projektowana i tworzona pod konkretny układ głośników.

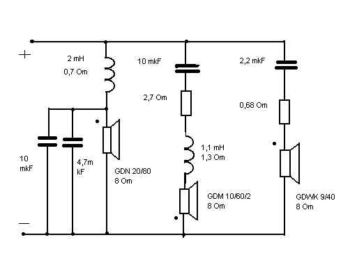
    Zwrotnice musisz stworzyć sam na podstawie obliczeń i pomiarów. Jedyne co znalazłem na innym forum to coś takiego:
    GDN 20/80 GDWK 10/80 GDM 12/60 Jaka zwrotnica i jaki litraz?

    Ale poszukaj jeszcze na forum pod zapytaniem ,,kolumny na GDN 20/80''
  • REKLAMA
  • #3 9848352
    Wiesiek Pro
    Poziom 9  
    Chodzi mi o takie zwrotnice z allegro np.z firmy Janbo.Czy takie zwrotnice warte sa swojej ceny i czy byly by one dobre bez zadnych przerobek?
  • #4 9848533
    Konto nie istnieje
    Konto nie istnieje  
REKLAMA