logo elektroda
logo elektroda
X
logo elektroda
REKLAMA
REKLAMA
Adblock/uBlockOrigin/AdGuard mogą powodować znikanie niektórych postów z powodu nowej reguły.

Ford Sierra 2.0 ohc efi Wiązka sterowania silnikiem - jak podłączyć?

Wegorz91 22 Sie 2011 17:06 8096 19
REKLAMA
  • #1 9850973
    Wegorz91
    Poziom 10  
    Witam.

    Posiadam silnik wraz z całym osprzętem z forda sierry 2.0 ohc EFI.
    Rodzaj sterownika to EFI-VM115 .

    Silnik chce zamontować w innym samochodzie i nie wiem jak podłączyć zasilanie sterownika.
    Na razie chciałbym tylko odpalić silnik bez żadnych czujników podłączanych do deski itp.
    Czyli gdzie zasilić sterownik ze stacyjki oraz pompę paliwa bo podobno jest tam pin, który załącza przekaźnik od pompy?
    I jeszcze nie wiem co z cewką?
    Na układ przed cewką mam podać 12V czy podłączyć pod masę?

    3 kostki ze sterownika :
    Ford Sierra 2.0 ohc efi Wiązka sterowania silnikiem - jak podłączyć?

    Reszta wycięta z instalacji Forda :
    Ford Sierra 2.0 ohc efi Wiązka sterowania silnikiem - jak podłączyć? Ford Sierra 2.0 ohc efi Wiązka sterowania silnikiem - jak podłączyć?
    cewka :
    Ford Sierra 2.0 ohc efi Wiązka sterowania silnikiem - jak podłączyć?

    Nie mam żadnego schematu a serwisy Forda nie bardzo wiedzą o co chodzi.
    Miła pani mówi mi, że proszę przyjechać samochodem to wtedy technicy to zobaczą...

    Bardzo proszę o pomoc.
  • REKLAMA
  • #2 9851003
    milejow
    Poziom 43  
    Schematy są na naszym forum a punktów, żeby ściągnąć, Ci wystarczy. Więc-poszukać i do dzieła
  • REKLAMA
  • #3 9852000
    Wegorz91
    Poziom 10  
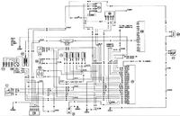
    To tak znalazłem schemat. Mam nadzieje że dobry. Prosił bym o pomoc w odnalezieniu tych gniazd z obrazka.

    Ford Sierra 2.0 ohc efi Wiązka sterowania silnikiem - jak podłączyć?
  • REKLAMA
  • Pomocny post
    #4 9852114
    milejow
    Poziom 43  
    Ty nie szukaj gniazd tylko kabli po kolorach
  • #5 9877472
    Wegorz91
    Poziom 10  
    Podłączenie zasilania pod komputer okazało się nawet łatwe. Dostałem schemat od kolegi gdzie wszystko jest przejrzyście rozrysowane i opisane.

    Problem pojawił się teraz taki że nie ma iskry :( Mam trochę słaby akumulator jak na ten silnik i bardzo powoli kręci, może być tak że nie ma iskry bo za bardzo spada napięcie ? I mam jeszcze pytanie czy można jakoś sprawdzić moduł oraz wymusić iskrę żeby sprawdzić cewkę ?
  • REKLAMA
  • #6 9877478
    Błażej
    VIP Zasłużony dla elektroda
    To podczep miernik pod akumulator i obserwuj do ilu spadnie napięcie. Swoją drogą, to przydałby ci się duży i naładowany akumulator...
    Zamieść ten schemat, który otrzymałeś.
  • #7 9877583
    Wegorz91
    Poziom 10  
    Podłączyłem woltomierz i napięcie spada do 7V kręcąc jakieś 3-4 sec, rozrusznik słabiutko kręci.

    to jest ten schemat :

    Ford Sierra 2.0 ohc efi Wiązka sterowania silnikiem - jak podłączyć?


    Kable i świece są nowe, reszta osprzętu, była wyciągnięta z hulającego wozu. Silnik stał rok nie ruszany.
  • Pomocny post
    #8 9877611
    Pawel wawa
    VIP Zasłużony dla elektroda
    Akumulator do kitu, albo naładować albo zamienić.
  • Pomocny post
    #9 9877618
    Błażej
    VIP Zasłużony dla elektroda
    Za bardzo. Zacznij od poszukania pewnego źródła prądu. Sprawdź dokładnie podłączenie masy do silnika. Potem jeszcze raz przejrzyj połączenia w układzie.
  • Pomocny post
    #10 9877663
    ociz
    VIP Zasłużony dla elektroda
    Z mojego doświadczenia samochody jakoś odpalają dopóki napięcie nie spada poniżej 8V.
  • #11 9878144
    Wegorz91
    Poziom 10  
    Coś jest nie tak. Wytargałem z diesla większy akumulator podłączyłem pod forda i to samo. Iskry nie ma a napięcie na akumulatorze spada do 7V. Za chwile będę miał kable to podjadę samochodem i spróbuje tak zakręcić.
  • Pomocny post
    #12 9878205
    ociz
    VIP Zasłużony dla elektroda
    Nie kombinuj, tylko zrób porządek z rozrusznikiem/instalacją żeby kręcił jak ma kręcić.
  • Pomocny post
    #13 9878364
    Błażej
    VIP Zasłużony dla elektroda
    To możesz mieć problem z o kablowaniem - jakie przewody masz od akumulatora do rozrusznika? Jakie do reszty? Jak podłączona masa?
    Albo z rozrusznikiem - sprawny? Sprawdzony?
    Ten silnik to w ogóle sprawny jest? Nie zatarty albo co?
    Akumulator z tego diesla to też nie stał przypadkiem dłuższy czas nieużywany?
    W tej chwili ogranicz się do minimum podłączeń wymaganych do pracy. Odpuść alternator i resztę, która nie ma wpływu na pracę silnika. Naładuj jeden SPRAWNY i PEWNY akumulator i dopiero zaczynaj pracę.
  • #14 9879511
    Wegorz91
    Poziom 10  
    Tak jak mówiliście zrobiłem porządek z rozrusznikiem. Kręci jak głupi teraz. Problem leżał w złej masie ( miałem uszkodzony kabel ). Jeden jak i drugi akumulator okazał się sprawny. Bardzo dziękuje za rady. Cieszę się że jeden problem z głowy.

    Błażej silnik był wyciągany ze sprawnego samochodu. Wszystko hulało, czyli zatarty nie był.


    Po sukcesie z rozrusznikiem podłączyłem elektronikę ( komputer, cewkę itp ) i zakręciłem. Znowu brak iskry. Podłączyłem też pompę paliwa, pokręciłem znowu trochę i świece po wykręceniu są suche. Czyli wtryskiwacze również nie pracują. Teraz już starałem się zrobić połączenia jak najlepiej.
  • Pomocny post
    #15 9879630
    Błażej
    VIP Zasłużony dla elektroda
    Pompą steruje? Cewkę można wyzwolić ręcznie? Ciśnienie paliwa na listwie jest? Zasilanie i masa komputera w porządku? Podłączaj przez jakiś bezpiecznik! Przydałby ci się oscyloskop, żeby pooglądać sobie sygnał z czujnika halla i inne...
  • #16 9879680
    Wegorz91
    Poziom 10  
    Pompa jest podłączona bezpośrednio do akumulatora. Ciśnienie musi być bo przelewa powrotem.

    Zasilanie komputera podłączone zgodnie ze schematem powyżej.

    Oscyloskop mam, jak coś to mogę podglądać co tam się dzieje.

    Jak wyzwolić cewkę ? Przyłożyć masę w miejsce pinu sterującego ?

    Komputer wydaje mi się że działa, stwierdzam to bo po podaniu zasilania na komputer pin nr 22 ( sterowanie pompy paliwa ) jest zwarty z masą. Po odłączeniu zasilania nie ma przejścia do masy.
  • Pomocny post
    #17 9879683
    Pawel wawa
    VIP Zasłużony dla elektroda
    Pierwsze co się ciśnie na sprawdzenie to zasilanie wtrysków i cewki, jest?
  • #18 9882733
    Wegorz91
    Poziom 10  
    Powalczyłem chwile dziś przy silniku. Posprawdzałem napięcia itp. Zauważyłem że tak jak wcześniej pisałem o tym że komputer robi masę na pinie 22 ale przekaźnika nie załącza. Przekaźnik jest sprawny, sprawdzany na akumulatorze. Chyba dalej problem jest ze słabą masą. Jutro ponawiercam miedziany płaskownik i będę przykręcał dokładnie każdą masę.
  • #19 9883616
    Pawel wawa
    VIP Zasłużony dla elektroda
    A zasilanie na ten przekaźnik masz? Sprawdzić kontrolką nie większą niż 5W!
  • #20 9892599
    Wegorz91
    Poziom 10  
    Postanowiłem sobie zrobić przerwę i dopiero dziś zabrać się za silnik. Poczyściłem styki, zrobiłem dobrą masę sterownika oraz masę modułu ( jak się okazało masa na obudowie to nie to samo co masa na wtyczce do modułu ) i po pierwszym próbnym przekręceniu rozrusznikiem silnik zagadał :) Zadymiłem cały garaż ale i tak dźwięk silnika z dwururką jest bez cenny.

    Dziękuje wszystkim za pomoc. Głupia masa a tak dała w kość :)
REKLAMA