logo elektroda
logo elektroda
X
logo elektroda
REKLAMA
REKLAMA
Adblock/uBlockOrigin/AdGuard mogą powodować znikanie niektórych postów z powodu nowej reguły.

Presostat Klimatyzacji A4 B5

arturaugustyn 24 Sie 2011 22:15 9072 5
REKLAMA
  • #1 9859532
    arturaugustyn
    Poziom 10  
    Panowie bardzo proszę o odpowiedź
    Chodzi mi o czujnik Presostat klimatyzacji on jest montowany w chłodnicy i ma 4 piny. jezeli mam czujnik wykręcony i mam go na stole to pin 1 i 2 jest zwarty moim zdaniem nie powinien być rozwarty przeciez te piny odpowiadaja za cisnienie w klimie i dopiero jak się napije klime to powinny być zwarte. Może ktoś to potwierdzić bo często na allegro widze czujnik i niektórzy piszą że maja go w dłoni ale pin 1 i 2 jest zwarty. moze ktoś napisać czy na wyciągnietym czujniku powinien być zwarty czy rozwarty
  • REKLAMA
  • #2 9860525
    arturaugustyn
    Poziom 10  
    panowie pomoże ktoś
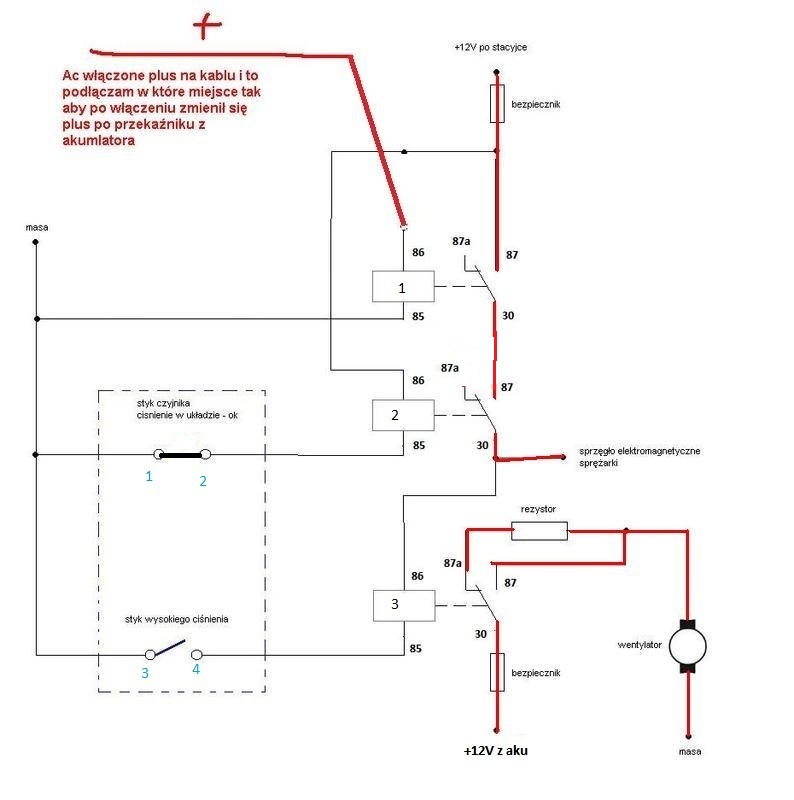
    mam schemat tak jakby to wyglądało po podłączeniu aby klima manualna chodziła tylko właśnie martwi mnie ten presostat bo co wtym przypadku rozłączy klime gdy nie będzie czynnika w układzie ?? skoro po zmierzeniu pinu 1 i 2 na presostacie s one zwarte na wyciągniętym czujniku czy czujnik jest popsuty

    Presostat Klimatyzacji A4 B5
  • REKLAMA
  • #3 9863772
    Bartek890130
    Poziom 13  
    jak ma za wysokie cisnienie w ukladzie to czujnik rozwiera te 2 styki i rozlacza sprzeglo sprezarki. Czujnik masz ok tak ma byc. z
  • REKLAMA
  • #4 9864315
    sobol350
    Poziom 16  
    W stanie spoczynku bez czynnika styki są rozwarte!!!!!
    pretostat ma dwa obwody jeden to piny 1,2 a drugi to piny 3,4

    Więc gdy go zdemontujesz powinien być rozwarty w obydwu
    obwodach
  • REKLAMA
  • #5 9866186
    arturaugustyn
    Poziom 10  
    wszystko wiem czyli wynika to że mam czujnik walnięty bo powinny być piny rozwarte dzięki wszystkim
  • #6 9866600
    sobol350
    Poziom 16  
    Jesli będziesz miał problemy daj na pw. podesle ci schemat z autodat-y. Pozdrawiam i życzę chłodu w aucie.
REKLAMA