logo elektroda
logo elektroda
X
logo elektroda
REKLAMA
REKLAMA
Adblock/uBlockOrigin/AdGuard mogą powodować znikanie niektórych postów z powodu nowej reguły.

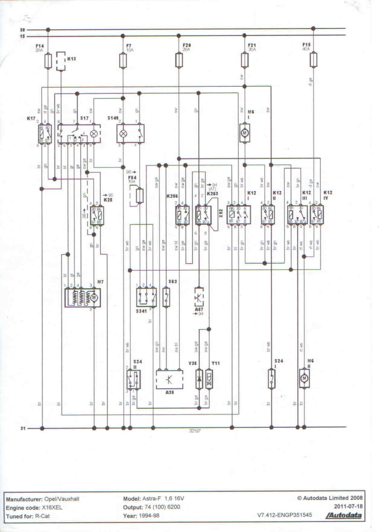
Opel Astra F 1.6 16V (X16XEL) nie załącza sprzęgła klimy.

gleszek 25 Sie 2011 17:05 4653 5
REKLAMA
  • #1 9862034
    gleszek
    Poziom 16  
    Witam serdecznie.
    Proszę o pomoc w zdiagnozowaniu usterki. Mam problem z klimatyzacją w wymienionym samochodzie. Posprawdzałem wszystkie połączenia, przekaźniki, zasilania itp. Niestety nie dysponuję pełnym schematem samochodu tylko wycinkiem, na którym rozrysowany jest układ klimatyzacji. W trakcie prób okazało się, iż nie jest podawana masa z modułu A57 - TCM ( Transmission control module).
    Jeżeli podam na "sztywno" masę na cewkę przekaźnika zamiast masy z modułu TCM, sprzęgło klimy załącza się i pracuje normalnie. Nie wiem gdzie znajduje się moduł TCM i jak jest sterowany. Jeżeli ktoś posiada pełny schemat lub byłby w stanie naprowadzić mnie na przyczynę proszę o pomoc i z góry dziękuję.
  • REKLAMA
  • #2 9862158
    decybel91
    Poziom 42  
    TCM to sterownik skrzyni automatycznej. coś źle czytasz ten schemat. Masa powinna być stała, a cewką załączona +.
  • REKLAMA
  • #3 9863281
    mody1
    Poziom 16  
    Jeśli jest za mało czynnika,temp.zewnętrzna bedzie wskazywała na minusową lub brak,też sie nie załączy.Podaj rok auta to może schemat zapodam.I jak kolega powyżej masa stała,a sterownie plusem
  • REKLAMA
  • #4 9864562
    gleszek
    Poziom 16  
    Astra kombi z 97r. Schemat, którym się posługiwałem ewidentnie pokazuje możliwość sterowania od masy. Wg posiadanego opisu A57 to Transmission control module ( TCM). Wczoraj uruchomiłem klimę podając na stałe masę na cewkę przekaźnika K263. Szukając po internecie znalazłem, iż TCM jest to układ od automatu. Cóż koło automatu może kiedyś stało ale skrzynie mam manualną. Schemat otrzymałem w lipcu przy przeglądzie klimy, opisy się zgadzają.
  • REKLAMA
  • Pomocny post
    #5 9864845
    ociz
    VIP Zasłużony dla elektroda
    W tym temacie znajdziesz dokładne schematy.
    Sterowanie które Cię interesuje idzie ze sterownika silnika, pin A15.
  • #6 11737312
    gleszek
    Poziom 16  
    Pomogło wyczyszczenie styków oraz wymiana przełącznika trójdrożnego ( zamontowany na chłodnicy).
REKLAMA