logo elektroda
logo elektroda
X
logo elektroda
REKLAMA
REKLAMA
Adblock/uBlockOrigin/AdGuard mogą powodować znikanie niektórych postów z powodu nowej reguły.

Podciśnieniowy wyłącznik LPG

jacek880 27 Sie 2011 08:33 1476 1
REKLAMA
  • #1 9867551
    jacek880
    Poziom 11  
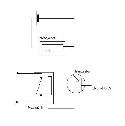
    Witam. Chciałbym zrobić podciśnieniowy wyłącznik LPG. Miałby on służyć do zaoszczędzania LPG. Polegało by to na zasadzie że jak dojeżdżam np. do świateł i zaczynam hamować silnikiem, wówczas w kolektorze ssącym powstaje dużo większe podciśnienie niż gdy chodzi na wolnych obrotach. Podciśnienie to jest cały czas monitorowane przez komputer poprzez map-sensor. Wystarczy podpiąć się pod przewód idący do komputera (zwykle środkowy pin map-sensora) który ma napięcie 0-5V. Przekaźnik odcinał by zasilanie elektrozaworu przy reduktorze. Oczywiście poziom załączania regulowany byłby potencjometrem na zasadzie prób i błędów już po zamontowaniu. Moje pytanie dotyczy schematu poniżej. Czy coś takiego zadziała???? Jakie parametry powinien mieć tranzystor i potencjometr????
  • REKLAMA
  • #2 9867565
    ociz
    VIP Zasłużony dla elektroda
    Tak jak na schemacie to nie ma szans zadziałać.
    Nie lepiej założyć porządną 2 generację i tam sobie cut-off ustawić?
REKLAMA