logo elektroda
logo elektroda
X
logo elektroda
REKLAMA
REKLAMA
Adblock/uBlockOrigin/AdGuard mogą powodować znikanie niektórych postów z powodu nowej reguły.

Sony PS3 spalony element na płycie logiki blue-ray

szogun2000 31 Sie 2011 12:57 2263 2
REKLAMA
  • #1 9881249
    szogun2000
    Poziom 12  
    Witam.
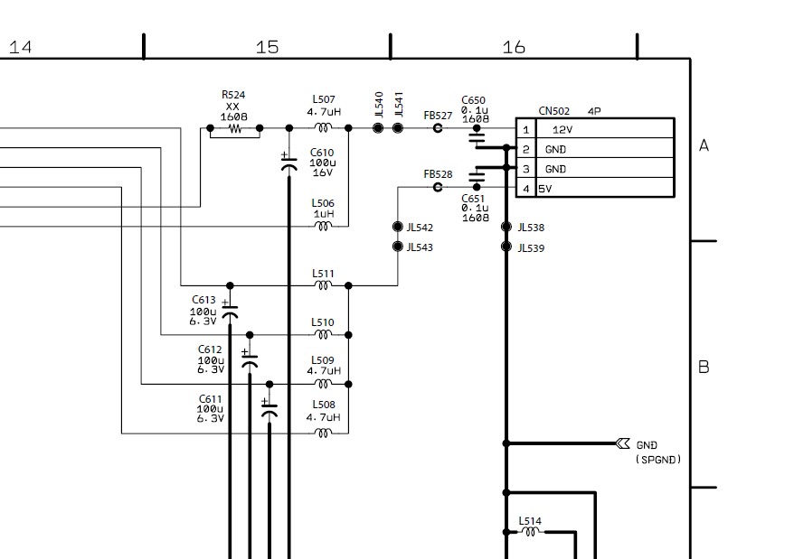
    Ps3 spalony element na płytce napędu BR BMD-001.Objaw kompletnie martwy napęd. Może ktoś wie co to za element i jaka jest jego wartość.Poniżej foto z zaznaczonym elementem.
    Pozdrawiam.



    Sony PS3 spalony element na płycie logiki blue-ray
  • REKLAMA
  • Pomocny post
    #2 9884154
    ebry
    Poziom 30  
    To powinno pomóc.

    Sony PS3 spalony element na płycie logiki blue-ray Sony PS3 spalony element na płycie logiki blue-ray
  • #3 9912590
    szogun2000
    Poziom 12  
    Bezpiecznik. Temat zamknięty.
REKLAMA