logo elektroda
logo elektroda
X
logo elektroda
REKLAMA
REKLAMA
Adblock/uBlockOrigin/AdGuard mogą powodować znikanie niektórych postów z powodu nowej reguły.

Flatron L1953S mruga. Zasilacz AIP0122, monitor po burzy.

matisblu 02 Wrz 2011 00:01 6462 2
REKLAMA
  • #1 9887006
    matisblu
    Poziom 18  
    Witam!
    Monitor jak w tytule. Zasilacz AIP0122, monitor po burzy. Wymienione wszystkie kondensatory elektrolityczne, przemierzone rezystory i półprzewodniki. Monitor otrzymałem "martwy". Obecnie sytuacja wygląda w ten sposób, że po podłączeniu do zasilania przez żarówkę świetlówki mrugają na przemian z żarówką. Napięcia zasilające siadają już od kondensatora za mostkiem. Po odpięciu 12V zasilających inwerter zwarcie znika. APM4546 wymienione. Dawno już nie miałem takiej zagwozdki :(.
    Proszę o sugestie.
    Flatron L1953S mruga. Zasilacz AIP0122, monitor po burzy.
    Flatron L1953S mruga. Zasilacz AIP0122, monitor po burzy.

    Mam jeszcze L1753S z identycznymi objawami i też nie mogę uruchomić tego zasilacza.

    Flatron L1953S mruga. Zasilacz AIP0122, monitor po burzy.



    Z góry dziękuję za naprowadzenie na właściwą drogę.
  • REKLAMA
  • #2 9887508
    Jakant
    Poziom 35  
    Jeżeli odłączysz zasilanie inwertera i jest ok, to skup się na inwerterze. Sprawdzaj dokładnie mosfety i sterownik.
  • #3 10215246
    lisek
    Serwisant RTV
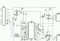
    Ten zasilacz +invertor AIP0122 REV:D
    Cytat:
    składa się z :
    IC DC/AC - OZL68GN
    tranzystory polowe napędzające trafko - AP4511GP
    IC zasilacza - FAN7601
    polowy zasilacza - SSS7N60B


    Jak masz zwarcie na +12 popatrz na "kawałek " invertora ,pomierz co nieco i wyciąnij wnioski.

    Flatron L1953S mruga. Zasilacz AIP0122, monitor po burzy.
REKLAMA