Witam
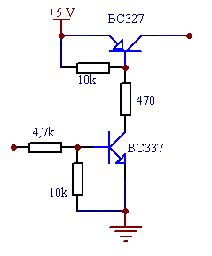
Próbuje sterować włączaniem i wyłączaniem kamery z portu mikrokontrolera, kamera jest zasilana z akumulatora 9V. W rozwiązaniu użyłem klucz tranzystorowy, który znalazłem na forum:
Kiedy nie mam podłączonego obciążenia w postaci kamery, to całość działa jak należy 9V jest włączane/wyłączane wtedy kiedy tego chce, jednakże kiedy podłączam kamerę to można ją włączyć, ale nie da rady niestety już jej wyłączyć. W momencie kiedy kamera powinna zostać wyłączona, na porcie mikrokontrolera powinien być stan niski, niestety pozostaje ciągle stan wysoki co skutkuje tym, że kamera się nie wyłącza.
Tranzystory użyłem, takie jak na załączonym obrazku, bo akurat miałem je w domu, mikrokontroler zasilam z 3,3V.
Będę wdzięczny za wszelką pomoc.
Próbuje sterować włączaniem i wyłączaniem kamery z portu mikrokontrolera, kamera jest zasilana z akumulatora 9V. W rozwiązaniu użyłem klucz tranzystorowy, który znalazłem na forum:
Kiedy nie mam podłączonego obciążenia w postaci kamery, to całość działa jak należy 9V jest włączane/wyłączane wtedy kiedy tego chce, jednakże kiedy podłączam kamerę to można ją włączyć, ale nie da rady niestety już jej wyłączyć. W momencie kiedy kamera powinna zostać wyłączona, na porcie mikrokontrolera powinien być stan niski, niestety pozostaje ciągle stan wysoki co skutkuje tym, że kamera się nie wyłącza.
Tranzystory użyłem, takie jak na załączonym obrazku, bo akurat miałem je w domu, mikrokontroler zasilam z 3,3V.
Będę wdzięczny za wszelką pomoc.