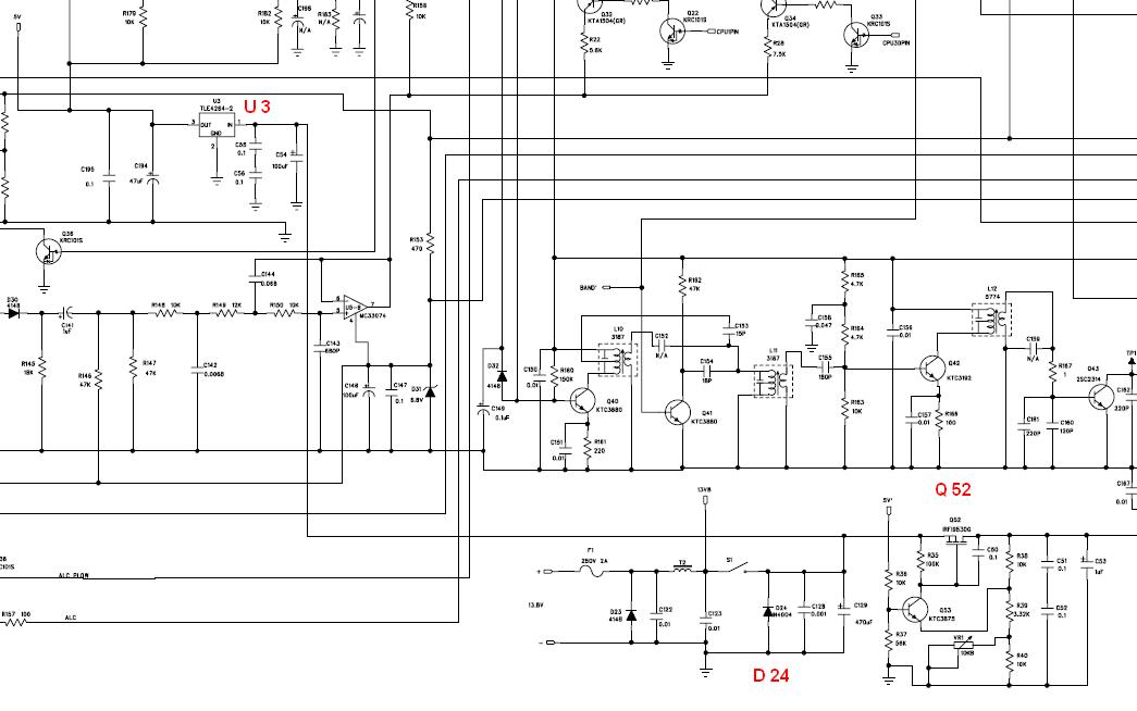
Witam, jestem w posiadaniu owego radyjka, tylko że brak mam Q52 ktoś ukradł. Co mam tam wstawić?
Moderowany przez Olek II:Temat i treść postu poprawiłem. Następnym razem użyj przycisku "Pisownia".
