Panowie powiedzcie jakie wady ma układ z PE 9/1997 oraz jakie macie pomysły na ich wyeliminowanie.
Jak zastosować do tego układu regulację prądu?
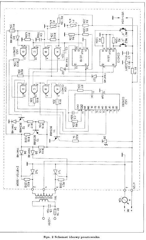
Układ zmontowałem z 10 lat temu i obecnie zauważyłem ze po 3h na cyklicznym przerywa mi ładowanie. Musze go zrestartować aby dalej działał.
