logo elektroda
logo elektroda
X
logo elektroda
REKLAMA
REKLAMA
Adblock/uBlockOrigin/AdGuard mogą powodować znikanie niektórych postów z powodu nowej reguły.

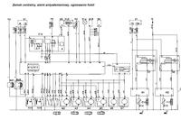
Centralny Zamek w Opel Astra II GG 98 r

Baciar_Kris 12 Wrz 2011 20:28 5107 10
REKLAMA
  • #1 9920582
    Baciar_Kris
    Poziom 9  
    Witam :) Mój problem wygląda następującą , zamykają drzwi przez centralny zamek zamykają się mi troje drzwi a lewe tylne nie chcą ani się otworzyć anie zamknąć , jak chce otworzyć tylne lewe drzwi muszę robić to ręcznie co mogło się zepsuć czy ma ktoś jaką koncepcje na tą sytuację??
  • REKLAMA
  • #2 9920704
    Ireneo
    Poziom 42  
    Koncepcja to przewody w przepuście lub sam siłownik.Nic więcej,teraz sam dalej musisz sprawdzić.
  • REKLAMA
  • #3 9921829
    Konto nie istnieje
    Konto nie istnieje  
  • REKLAMA
  • #4 9921875
    CameR

    Moderator Zabezpieczeń Pojazdów
    Niektórzy aby nie wymieniać/naprawiać zamka montują dodatkowy siłownik uniwersalny.
    Druciarnia, ale działa.
    Pomogłem? Kup mi kawę.
  • #5 9922185
    lukasz.1889
    Poziom 21  
    Witam
    Stawiam na wyłącznik krańcowy w zamku tych drzwi,sprawdz zasilenia i sam zamek
  • REKLAMA
  • #6 9922401
    Ireneo
    Poziom 42  
    jorge83 napisał:
    .A jak ok to siedzi zamek ,jest naprawialny i pewnie mikro przełącznik

    lukasz.1889 napisał:
    Stawiam na wyłącznik krańcowy w zamku tych drzwi,

    Panowie chyba bzdury piszecie,autorowi nie działają tylne drzwi i tam nie ma przełącznika.
  • #7 9922420
    MrCryway
    Poziom 16  
    miałem identycznie kiedy kupilem zafire przyczyną okazały się przetarte kable ponieważ jest to element ruchomy i podczas otwierania i zamykania drzwi mogą się przerwać. Proponuje przeglądnąć okablowanie przy łączeniu słupka z tymi drzwiami powinna tam być gumowa lub plastikowa osłona, którą trzeba zdjąć. Jeśli będą przerwane wystarczy zlutować zaizolować i będzie Działać :)
  • #8 9923587
    Konto nie istnieje
    Konto nie istnieje  
  • #9 9923845
    Ireneo
    Poziom 42  
    Co on przełącza?Skąd wiesz czy to zamek fabryczny?
  • #11 9924117
    Ireneo
    Poziom 42  
    Rzeczywiście,przepraszam za tą część wypowiedzi,nigdy nie rozbierałem tej kasety.Napisałem dlatego chyba.
    Nie zmienia to faktu ze autor dostał podpowiedź ale dalej to już inni użytkownicy się udzielają a autor milczy.
REKLAMA