logo elektroda
logo elektroda
X
logo elektroda
REKLAMA
REKLAMA
Adblock/uBlockOrigin/AdGuard mogą powodować znikanie niektórych postów z powodu nowej reguły.

Midland Alan 18 przerobienie na 4 W

Tomaszko80 15 Wrz 2011 19:19 4607 5
REKLAMA
  • #1 9930518
    Tomaszko80
    Poziom 13  
    Witam chciałbym się zapytać o możliwość przerobienia w/w cb radia z Niemczech na pełne 4W .Czy ta przeróbka jest opłacalna i jakie trzeba wymienić elementy ?
  • REKLAMA
  • #2 9930598
    SP5ANJ
    Spoczywaj w Pokoju
    Wersje Niemieckie nazywają się Alan 18D i zasadniczo mają zmieniony sposób doprowadzenia napięcia zasilania do drivera i końcówki mocy w.cz. .

    Alan 18D - bez transformatorka modulacyjnego z połowy napięcia n.10 KIA :

    Midland Alan 18 przerobienie na 4 W

    Alan 18 z transformatorkiem :

    Midland Alan 18 przerobienie na 4 W


    Pozdrawiam.
  • REKLAMA
  • #3 9933105
    Tomaszko80
    Poziom 13  
    SP5ANJ napisał:
    Wersje Niemieckie nazywają się Alan 18D i zasadniczo mają zmieniony sposób doprowadzenia napięcia zasilania do drivera i końcówki mocy w.cz.

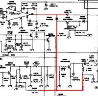
    W Alanie 18 na płycie jest jedno trafo oznaczone jako CH1 .Rozumiem że mam się zastosować do rysunku nr.2 To tak wygląda jak bym miał doprowadzić napięcie z transformatorka do D24 . Dobrze zrozumiałem ?
  • REKLAMA
  • #4 9933797
    SP5ANJ
    Spoczywaj w Pokoju
    Tomaszko80 napisał:
    W Alanie 18 na płycie jest jedno trafo oznaczone jako CH1 .

    To nie jest transformator tylko Dławik Zasilający.
    Cytat:
    To tak wygląda jak bym miał doprowadzić napięcie z transformatorka do D24 . Dobrze zrozumiałem ?

    Nie , Nie , Nie .
    Nie próbuj doprowadzać napięcia w tego Dławika CH1 do diody D24 - bo spalisz układ wzmacniacza m.cz. na KIA7217.

    Pozwoliłem sobie na dość łopatologiczne pokazanie - do czego służą te elementy w zasilaniu radia.

    Midland Alan 18 przerobienie na 4 W

    Zapomniałem dodać, że dioda 1N4007 to element zabezpieczający przed odwrotnym podłączeniu "plusa z minusem" , po którym powinien się przepalić bezpiecznik na kablu zasilającym.


    Pozdrawiam.
  • REKLAMA
  • #5 9934028
    Tomaszko80
    Poziom 13  
    SP5ANJ napisał:
    Nie , Nie , Nie .
    Nie próbuj doprowadzać napięcia w tego Dławika CH1 do diody D24 - bo spalisz układ wzmacniacza m.cz. na KIA7217.

    Dla pewności wcześniej pobrałem schemat radia i porównałem oba . I coś mi tu nie grało dlatego nic nie robiłem spokojnie a może lepiej zmniejszenie opornika w bazie końcówki mocy?
  • #6 9934317
    SP5ANJ
    Spoczywaj w Pokoju
    Tomaszko80 napisał:
    ... a może lepiej zmniejszenie opornika w bazie końcówki mocy?

    Nie.
    Nie tędy droga.

    Zobacz, że w wersji 4-Watowej układ drivera i Stopnia mocy - jest wręcz identyczny.

    Uzyskanie mocy na wyjściu nadajnika w Alanie 18D (1W Niemcy) jest realizowane innym napięciem zasilania tych stopni - około +6V - bezpośrednio z wyjścia układu KIA7217.
    Uzyskanie mocy 4 Watów - to około +12V - poprzez autotransformator, który jest zasilany z pełnego napięcia zasilania +13,6V .

    I to cała różnica. :D

    Reasumują - tylko wstawienie transformatorka i stosowne jego podłączenie - spowoduje większą moc na wyjściu nadajnika. :!:


    Pozdrawiam.
REKLAMA