logo elektroda
logo elektroda
X
logo elektroda
REKLAMA
REKLAMA
Adblock/uBlockOrigin/AdGuard mogą powodować znikanie niektórych postów z powodu nowej reguły.

Cobra 19 DX IV, nadaje ale brak odbioru

Krzysiuch 22 Wrz 2011 08:29 4223 11
REKLAMA
  • #1 9951557
    Krzysiuch
    Poziom 11  
    Radio nadaje bez problemu ale jest problem z odbiorem, po odkręceniu potencjometru od głośności na max słychać jedynie delikatny szum. Wzmacniacz m.cz działa, tranzystory we wzmacniaczu w.cz też wyglądają na sprawne. Już nie mam pomysłu gdzie może leżeć problem. Może Wy macie jakieś pomysły. Pozdrawiam.
  • REKLAMA
  • #2 9951865
    telbod
    Poziom 32  
    Sprawdź "gruszkę" czy jakiś kabelek się nie oberwał przy wtyczce. Bez mikrofonu radio nie odbiera. Pod wyjścia podłącz dodatkowy głośnik. Sprawdź czy PA działa. Słyszysz tylko cichy szum czy cicho odbiera??
  • #3 9951881
    kriss51
    VIP Zasłużony dla elektroda
    Wymień filtr drugiej pcz. 455KHz. Czasem ulega uszkodzeniu. Na schemacie to CF2. Podaj jeszcze napięcia na kolektorach tranzystorów QR2, QR3, QR4. Proszę sprawdzić jeszcze napięcie na emiterze QB1 powinno być około 9V.
  • REKLAMA
  • #4 9953190
    Krzysiuch
    Poziom 11  
    telbod
    Gruszkę sprawdzałem, właściwie to było pierwsze co zrobiłem, gdyby mikrofon nie działał to nie byłoby nadawania a radio nadaje. PA też sprawdzałem i działa. Słyszę tylko cichy szum, radio nie odbiera.

    kriss51
    Filtr będę mógł wymienić dopiero jutro bo nie mam takiego.
    Napięcie na kolektorze QR2 to 7.6V, po dotknięciu słyszę dość głośny szum w głośniku
    QR3 6.4V i też słychać szum jak dotykam
    QR4 6.7V

    Napięcie na emiterze QB1 wynosi 8.5V
  • #5 9955742
    kriss51
    VIP Zasłużony dla elektroda
    Napięcia się zgadzają. Na razie wiadomo że tor wcz. i pcz. ma zasilanie. Jeśli chodzi o mikrofon to nie jest dokładnie jak piszesz sugerując się że nadaje. W mikrofonie są trzy podstawowe obwody tj. tor mikrofonu, nadajnika i odbiornika. Jeśli miał byś uszkodzony kabelek odbiornika to ten który podłącza głośnik do masy wtedy nadajnik działa, ale w głośniku cisza. To oczywiście można wykluczyć, bo dotykając tranzystora słyszysz szum. Napisz jeszcze czy na 100% antena sprawna, bo napisałeś że nadajnik ok, ale czy zasięg jest w miarę normalny i czy odbiornik nie odbiera nic nawet bardzo bliskich stacji? Jak wykręcisz, lub jest uszkodzona antena też szum jest mały w AM dlatego tak pytam. Jeszcze jedno, czy blokada szumu działa czyli czy wyłącza do zera szum po jej przekręceniu.
  • #6 9957225
    Krzysiuch
    Poziom 11  
    Radio sprawdzałem na antenie znajomego, która jest sprawna na 100% bo jego radio normalnie odbierało. Zasięgu nie miałem jak sprawdzić. Radio nie odbiera nawet tych najbliższych stacji. Blokada szumu działa bez problemu.
  • REKLAMA
  • #7 9957597
    SP5ANJ
    Spoczywaj w Pokoju
    Krzysiuch napisał:
    Zasięgu nie miałem jak sprawdzić. Radio nie odbiera nawet tych najbliższych stacji.

    Po danych z napięć :
    Cytat:
    Napięcie na kolektorze QR2 to 7.6V, po dotknięciu słyszę dość głośny szum w głośniku
    QR3 6.4V i też słychać szum jak dotykam
    QR4 6.7V

    Napięcie na emiterze QB1 wynosi 8.5V

    wygląda na to, że uszkodzeniu uległ obwód rezonansowy odbiornika (wejściowy) :

    Cobra 19 DX IV, nadaje ale brak odbioru

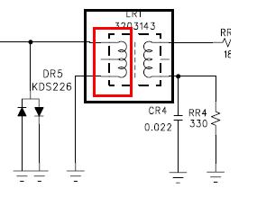
    Jest to coraz częstsze uszkodzenie tego obwodu, które jest spowodowane "nadmiernym" napięciem w.cz. z nadajnika przy dużym niedopasowaniu (czytaj : przy odłączonej antenie) - mimo, że diody DR5 (przeciwsobne) powinny ograniczać to w.cz. z samego nadajnika a jednak powoduje spalenie (czytaj : rozwarcie mechaniczne) obwodu na jego wejściu.

    Cobra 19 DX IV, nadaje ale brak odbioru

    Jedynym rozwiązanie problemu jest - wylutowanie tegoż obwodu i przylutowanie upalonej mechanicznie cewki lub nawinięcie jej innym przewodem DNE.

    Urwanie/upalenie LR1 w 9 przypadkach na 10 - jest w :
    Cobra 19 DX IV, nadaje ale brak odbioru


    Pozdrawiam.
  • #8 9959425
    Krzysiuch
    Poziom 11  
    Sprawdziłem LR1 i wygląda na sprawny.
  • REKLAMA
  • #9 9961890
    kriss51
    VIP Zasłużony dla elektroda
    Proszę dotknąć środkową żyłą kabla antenowego poprzez jakiś kondensator np. 1nf emitera QR2. Jeśli reszta sprawna w głośniku usłyszysz szum pasma.
  • #10 9966759
    Krzysiuch
    Poziom 11  
    Słychać szum. Czyli chyba siadło coś przed obwodem rezonansowym?
  • #11 9971465
    kriss51
    VIP Zasłużony dla elektroda
    Krzysiuch napisał:
    Słychać szum. Czyli chyba siadło coś przed obwodem rezonansowym?


    Mogło się stać jak sugerował kolega SP5ANJ. Sprawdź jeszcze diody DR5 czy nie mają zwarcia, proszę podmienić CR2. Jeśli efekt będzie ten sam- czeka Cię wymiana filtru wejściowego LR1. Na czas naprawy odłącz diodę DR2. To dioda z RFGAIN.
  • #12 9978275
    sp3hbf
    Poziom 15  
    Witam.Sprawdź zimne luty na płytce od strony ścieżek,zwłaszcza przy tych płytkach które są wstawione pionowo od strony elementów.99% ze to jest ta przyczyna.
    Ja to robię w ten sposób,przemywam płytkę rozpuszczalnikiem BIROL za pomocą szczoteczki do zębów,po wyschnięciu za pomocą lupy sprawdzam lutowania i wówczas widać gdzie są zimne luty.
    Powodzenia w naprawie.
REKLAMA