logo elektroda
logo elektroda
X
logo elektroda
REKLAMA
REKLAMA
Adblock/uBlockOrigin/AdGuard mogą powodować znikanie niektórych postów z powodu nowej reguły.

Alan 100 plus - przełącznik kanałów w mikrofonie

lensars 23 Wrz 2011 21:23 5726 13
REKLAMA
  • #1 9957172
    lensars
    Poziom 10  
    Chciałbym do swojego Alana 100 plus zaadoptować mikrofon posiadający przełącznik kanałów. Jak wiadomo w Alan 100 plus posiada we wtyczce jeden wolny, niepodłączony pin. Czy taka przeróbka będzie wykonalna? Jeśli tak to w jakie konkretne miejsce należy się podpiąć. Pozdrawiam.
  • REKLAMA
  • #2 9957214
    boro1234567
    Spec od komputerów
    Do zmiany kanałów potrzebowałbyś trzy przewody.
  • REKLAMA
  • #3 9957233
    zezuama
    Poziom 23  
    boro1234567 napisał:
    Do zmiany kanałów potrzebowałbyś trzy przewody.

    Dlaczego trzy ?

    Podpatrz jak to jest zrobione np. w Alanie 28. Ma taką samą syntezę.
  • REKLAMA
  • #4 9957252
    bc211
    Poziom 30  
    Sunker elite two
  • #5 9957272
    lensars
    Poziom 10  
    Właśnie chodzi o to, że znalazłem szczątkowe informacje, iż można ten wolny pin do tego zaadoptować (tym bardziej, iż mam wolny mikrofon z przełączaniem kanałów). Interesowałoby mnie czy jest to na pewno wykonalne. Jeśli tak, robił ktoś to prosiłbym o wskazanie miejsca gdzie należy się podpiąć.
  • #6 9957290
    zezuama
    Poziom 23  
    W twoim radiu nie ma takiego miejsca.Musisz je dorobić.
    Obejrzyj schematy w/w radyjek zanim zadasz kolejne pytanie .
  • #7 9957457
    bc211
    Poziom 30  
    Ze schematami może być problem, gdyż są nieczytelne najlepszy jaki mam to sunker elite two.
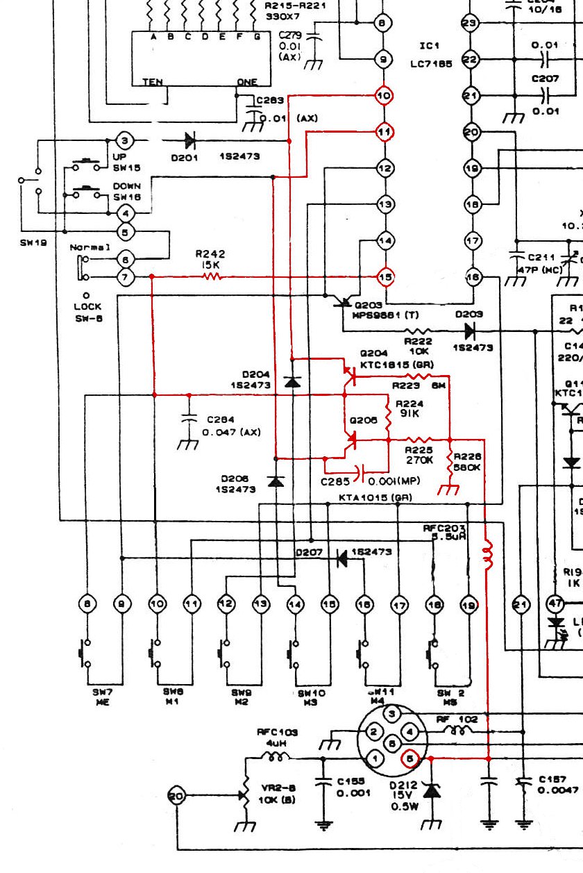
    Trzeba po prostu podłączyć dwa tranzystory pomiędzy nogi LC7185 10-15 tranzystor npn, a pomiędzy 11-15 tranzystor pnp a reszta analogicznie jak na schemacie i powinno działać.
  • #8 9957497
    zezuama
    Poziom 23  
    Przy tak prostym układzie czytelność owych schematów jest wystarczająca i
    w doskonały sposób obrazuje sposób jego działania.
  • #9 9957682
    SP5ANJ
    Spoczywaj w Pokoju
    lensars napisał:
    Jak wiadomo w Alan 100 plus posiada we wtyczce jeden wolny, niepodłączony pin.

    Niestety NIE ma takiej możliwości przy " jednym wolnym przewodzie". :!:

    zezuama napisał :
    Cytat:
    Dlaczego trzy ?

    PANOWIE trzymajmy się pewnych zasad na tym Forum.

    boro1234567 napisał :
    Cytat:
    Do zmiany kanałów potrzebowałbyś trzy przewody.


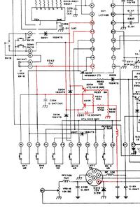
    Jako wyjaśnienie niech będzie (wycinek schematu) a wręcz specyfikacja LC7185 i jego konstrukcja :
    Alan 100 plus - przełącznik kanałów w mikrofonie


    Pozdrawiam.
  • REKLAMA
  • #10 9957936
    zezuama
    Poziom 23  
    SP5ANJ napisał:
    Niestety NIE ma takiej możliwości przy " jednym wolnym przewodzie". :!:

    A dlaczego NIE ???

    Alan 100 plus - przełącznik kanałów w mikrofonie
  • #11 9958198
    bc211
    Poziom 30  
    Pobawiłem się trochę tym i doszedłem do wniosku, że te przełączniki są źle zaprojektowane.
    Nie wiem jak w alanie 28 (to jest chyba jego schemat tak ?), ale w sunkerze na pewno.

    Dodano po 26 [minuty]:

    Nigdy wcześniej nie zwracałem na to uwagi.
  • #12 9958266
    SP5ANJ
    Spoczywaj w Pokoju
    zezuama napisał:
    A dlaczego NIE ???


    Po pierwsze - rozważamy tutaj możliwość przełączania kanałów w mikrofonie w modelu ALAN 100 PLUS a nie w innym dowolnym. W Alanie 100 plus - nie ma takiego rozwiązania.

    Po drugie - (bez obrazy dla Twórcy tematu) czy wyobrażasz sobie, że wykonanie takiego "klucza tranzystorowego" to dla pytającego tzw. "pikuś" . Aby poprawnie wykonać taki klucz, należy mieć o tym pojęcie i dość swobodnie poruszać się lutownicą.

    Po trzecie - zauważ, że założyciel tematu pyta i sugeruje rozwiązania typowo kabelkowe.

    Po czwarte - jeżeli już kolega poradzi sobie z tymi kluczami to co dalej. Na gnieździe mikrofonowym mamy możliwość podłączenia 5 +1 przewodów a musimy wiedzieć, że do uruchomienia klucza, który kluczuje UP/DWN będzie potrzebne napięcie zasilania +8V i gdzie oraz jak go doprowadzimy (7-my przewodzik). Zainstalujemy bateryjkę w mikrofonie. ? Nie mówmy/proponujmy tu możliwości wykorzystania +V z PTT, który jest kluczowany stanami "0" i "1" .


    Pozdrawiam.
  • #13 9958367
    bc211
    Poziom 30  
    lensars napisał:
    Czy taka przeróbka będzie wykonalna?

    Z definicji potrzeba Ube ≦ Uc-sat klucza i GND mic. wystarczy oraz źródło napięcia bazy wtórnika nie mniejsze, niż kolektora (sygnał), W praktyce wystarcza ok. 5V i może być przełączany z napięcia PTT (8,6).

    Wszyscy mają po części rację.

    Dlaczego TAK:
    zezuama napisał:
    Podpatrz jak to jest zrobione np. w Alanie 28
    Jest to zaledwie 2 tranzystory i kilka elementów, i budowa układu jest bardzo prosta.

    Dlaczego NIE:
    boro1234567 napisał:
    Do zmiany kanałów potrzebowałbyś trzy przewody.
    Uruchomienie może być trudne, lub nie możliwe dla początkującego, gdyż w grę wchodzą pojęcia jak para komplementarna, zbalansowanie (do zera) obu sygnałów syntezy, tranzystor kluczujący, wtórnik emiterowy oraz (de)multiplekser macierzy.

    Wydaje mi się, że zdanie kol. sp5anj jest bardziej zasadne, gdyż on rozpatruje układ od strony wyjścia.
    Układ najpierw trzeba zrobić, w razie problemów trzeba go "zestroić". Mikrofon na koniec

    Pytanie czy nasz kolega jest w stanie podjąć się wykonania tego mod'sa :?:

    edycja postu

    Nie widzę odpowiedzi, więc załączam układ w postaci przystawki, który odwzorowuje przełącznik Sunker Elite two gotowa do wydrukowania i "odprasowania", lub wrzucenia na laminator

    Alan 100 plus - przełącznik kanałów w mikrofonieAlan 100 plus - przełącznik kanałów w mikrofonie
    Alan 100 plus - przełącznik kanałów w mikrofonieAlan 100 plus - przełącznik kanałów w mikrofonieAlan 100 plus - przełącznik kanałów w mikrofonie

    Zeszło 2 godzinki tego samego dnia pytanie czy warto?
    Chyba raczej nie
    J/w układ trzeba zbalansować, aby nap. AC na obu wyjściach wynosiło 0, a to wcale nie jest takie proste.
    Trzeba w tym celu dobrać wartości R pomiędzy B-E w zależności od hFE
  • #14 10023634
    lensars
    Poziom 10  
    Faktycznie Panowie takie kombinacje nie mają większego sensu bo to gra nie warta świeczki. Alan 100+ zostaje jako awaryjny TRX a swój czas skupiam na Onwie Turbo którą chciałbym przywrócić do życia. Dziękuję wszystkim za pomoc!
REKLAMA