Ładowarka tu przedstawiona to doskonałe rozwiązanie dla modelarzy r/c i innych osób wykorzystujących w dużych ilościach takie akumulatorki. Dzięki niej można ładować/rozładowywać akumulatorki NiCd/NiMH. Ma ona osiągi porównywalne do wielu fabrycznych rozwiązań dostępnych na rynku.
W rozwiązaniach podobnego typu nie jest powszechne zastosowanie takiej mocy - zwłaszcza jeśli chodzi o jej wielkość oraz straty energii. Analiza budowy pozwoli zrozumieć zasadę działania nawet początkującym w dziedzinie elektroniki.
"Inteligentna" część projektu komunikuje się z komputerem za pomocą portu szeregowego i zapewnia dodatkową wizualizację procesu ładowania. Wykres ładowania jest zapisywany do wewnętrznej pamięci EEPROM. Po zakończeniu ładowania/rozładowywania możliwe jest ściągnięcie danych na PC.
Aplikacja Accu Cycler jest dostępna do pobrania ze strony źródłowej.
Program do procesora 16F877A jest podany w formie kodu źródłowego (w Basicu), który musi zostać skompilowany za pomocą odpowiedniego kompilatora. Dostępny jest również kod dla procesora 18F452.
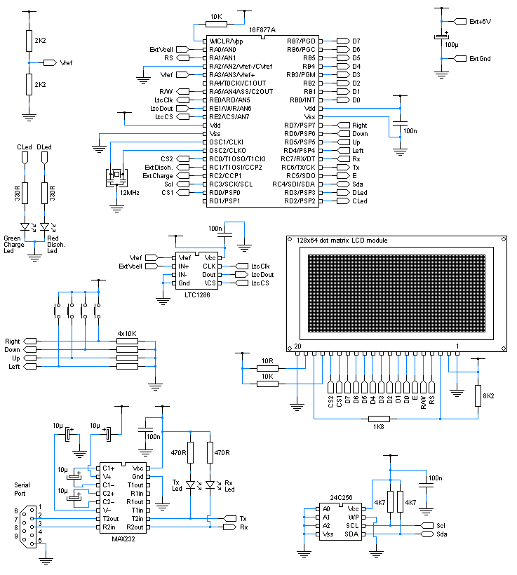
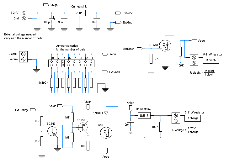
Schematy:
Źródło: http://www.oshonsoft.com/picchargerlcdpro.html
Fajne? Ranking DIY
