logo elektroda
logo elektroda
X
logo elektroda
REKLAMA
REKLAMA
Adblock/uBlockOrigin/AdGuard mogą powodować znikanie niektórych postów z powodu nowej reguły.

Honda Civic V 96r, wszystkie kable w drzwiach "wiszą"

Janosik_pat 27 Wrz 2011 13:08 7524 7
REKLAMA
  • #1 9968523
    Janosik_pat
    Poziom 15  
    Witam


    Kolega zakupił civica i poprzedni użytkownik namieszał w instalacji tak więc NIC nie działa ( el. lusterek, szyb i centralny ). Dodam jeszcze że oryginalna instalacja kończy się po 10 cm dalej wszystko zamienia się w horror ( przyciski od sterowania szybami inne brak oryginalnych gniazd ( każdy kabel osobno )

    Z silnika od unoszenia szyb wychodzi kostka 4 pinowa ( czerw x2, niebieski, czarny ). Czy jest możliwość sprawdzenia czy mechanizm zadziała gdy dam +12V na któreś z czerwonych kabelków ? Dałem 12+ na czerwony kabel ale bez rezultatu, więc pytanie czy silnik spalony czy źle robię i niebieski to nie sterowanie masą ?

    Czy ktoś posiada rozpis kabli ( wg. kolorów ) wchodzących do drzwi ? Może najlepiej poświęcić dzień i zrobić elektrykę w drzwiach od nowa.

    Pozdrawiam
  • REKLAMA
  • #2 9969718
    milejow
    Poziom 43  
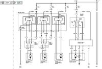
    Central:
    Honda Civic V 96r, wszystkie kable w drzwiach "wiszą"
    Szyby:
    Honda Civic V 96r, wszystkie kable w drzwiach "wiszą"
  • REKLAMA
  • #3 9970856
    Janosik_pat
    Poziom 15  
    ok z centralnym jakoś sobie poradzę, zastanawia mnie czy jak połączę z masą niebieski a na któryś z czerwonych dam +12V to czy silnik zadziała.
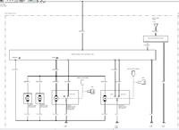
    Złapałem taki schemat i na nim jest pokazane:
    Honda Civic V 96r, wszystkie kable w drzwiach "wiszą"

    Dzięki za pomoc, ktoś tak namieszał że oryginalne kable są tylko przy silniku el. oraz wchodzące w drzwi, ktoś wyciął wszystkie wtyczki, popsuł jednostkę sterującą ( brak gniazda ) i wstawił inne przyciski.
  • REKLAMA
  • #4 9971195
    emeryt2
    Poziom 42  
    Na schemacie masz dwa przewody do silnika: Czerwono- niebieski i czerwono- żółty. Na nie podaj 12 volt , sprawdzisz silniczek. Silnik oznaczony literką "M".

    To pomieszanie z kablami i braki w osprzęcie , to na pewno nieudolna przeróbka
    na sterowanie szybami bez centralki , z wykorzystaniem przekaźników.
  • #5 9971243
    Janosik_pat
    Poziom 15  
    Na samym początku dałem 12V+, dwa czerwone jak się domyślam opuszczają lub podnoszą w zależności od koloru, ale gdy daje na którykolwiek z czerwonych 12V+ to nic się nie dzieje. Został niebieski i czarny jak widać czarny jest masą a niebieski chyba też ale nie podłączoną do obudowy przez co silnik może nie działać. Spróbuje dzisiaj podłączyć masę pod niebieski i dać 12V+ na któryś z czerwonych, być może to jest rozwiązanie problemu, przynajmniej tak widać na schemacie.
  • REKLAMA
  • #6 9971676
    Pawel wawa
    VIP Zasłużony dla elektroda
    No i spartolisz. Nie widzisz na schemacie, że dwa czerwone z znacznikami są od silnika? Czarny i niebieski zostaw w spokoju.
  • Pomocny post
    #7 9972405
    milejow
    Poziom 43  
    W oryginale na niebieskim pojawia się masa po całkowitym zjechaniu szyby do dołu, lewa szyba jest sterowana impulsowo z modułu w panelu sterującym szybami. Silnik powinien zatrybić po podaniu mu zasilania na oba czerwone, nie działa to śmietnik
  • #8 9972531
    Janosik_pat
    Poziom 15  
    Na czerwone + i -, działa podobnie zrobiłem z bocznymi gdzie są tylko dwa kabelki z silnika. Wszystko ok teraz zabawa z przyciskami ale przed tym +12 ponieważ ktoś powicinał kabelki i po skręcał inaczej.. Dzięki za pomoc :)
REKLAMA