logo elektroda
logo elektroda
X
logo elektroda
REKLAMA
REKLAMA
Adblock/uBlockOrigin/AdGuard mogą powodować znikanie niektórych postów z powodu nowej reguły.

Radio Lafayette Zeus - brak nadawania

ARTURSSS2 03 Paź 2011 18:03 4787 10
REKLAMA
  • #1 9989255
    ARTURSSS2
    Poziom 11  
    Witam,
    radio jak w temacie Lafayette Zeus
    radio nie nadaje: brak nośnej


    Radio samo przełączało kanały ( nawet bez wpiętego mikrofonu ) - po usunięciu diody Q1 przestało.

    Odbiera dobrze

    Mikrofon sprawdzony, połączenie na gnieździe sprawdzone.
  • REKLAMA
  • #2 9989957
    pyton
    Poziom 21  
    Witaj

    Daj schemat z którego korzystasz... bo na moim (3-częściowym) Q1 to na pewno nie dioda...

    W moim zeusie nawet soldermaski nie ma...

    Pozdrawiam
  • REKLAMA
  • #4 9991230
    pyton
    Poziom 21  
    Ja kolego na panelu przednim widzę Q1 jako tranzystor PNP - przynajmniej na schemacie...

    Jaki masz mikrofon - Dynamiczny czy może pojemnościowy...

    Brak nośnej - jak naciśniesz PTT to w drugim radiu słychać tak jak by ktoś chciał nadawać - ale nic nie słychać?
  • #5 9991270
    ARTURSSS2
    Poziom 11  
    Mikrofon dynamiczny.

    Na drugim radiu brak jakiego kolwiek sygnału.

    Po naciśnięciu PTT radio odcina odsłuchu, pozatym nic.
  • Pomocny post
    #6 9991555
    SP5ANJ
    Spoczywaj w Pokoju
    ARTURSSS2 napisał:
    Po naciśnięciu PTT radio odcina odsłuchu, poza tym nic.

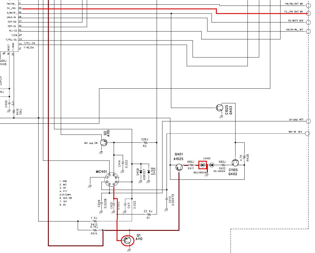
    Jeżeli po naciśnięciu PTT - nic się nie "dzieje" (brak nadawania, brak diody świecącej TX)- (pomijamy rozwarcie głośnika tzw. odsłuch) to jedynym logicznym wyjaśnieniem powinien być uszkodzony :
    - urwany kabelek od PTT (gniazdo mik. pin 4)
    - przełącznik PTT w mikrofonie
    - tranzystor Q1 (klucz PTT)

    Zobacz jak wygląda "tor" PTT w tym radiu i gdzie jest Q1 :

    Radio Lafayette Zeus - brak nadawania


    Pozdrawiam.
  • REKLAMA
  • #7 10001646
    ARTURSSS2
    Poziom 11  
    Czy wiadomo co to za tranzystor A110 , jaki jest zamiennik ?
  • REKLAMA
  • #8 10001947
    SP5ANJ
    Spoczywaj w Pokoju
    Witam.

    Wstaw zamiast Q1 - dowolny tranzystor pnp - np. BC177, BC557 (dosłownie dowolny).


    Pozdrawiam.
  • #9 10012803
    ARTURSSS2
    Poziom 11  
    Witam, ponownie
    Proszę o zaznaczenie na foto który to jest Q1.
    idą po ścieżce od 4-go pinu mikrofonu,
    Radio Lafayette Zeus - brak nadawania

    Tranzystor Q2 został wymieniony ( załączał ASQ )
  • #10 10013944
    pyton
    Poziom 21  
    Troszkę kolegę poniosło... nie da się odpiąć gruszki - multimetr uniwersalny ustawić na "piszczek" jedną sondę przyłożyć do pinu 4 (gniazda gruszki) a drugą poszukać na bazach tranzystorów?

    Na przednim panelu kolega ma tylko albo aż 4 tranzystory...
  • #11 10018949
    ARTURSSS2
    Poziom 11  
    Q1 wymieniony, teraz radio (z mikrofonem i bez ) stawia nośną.
    Jak naciśnie się PTT jest modulacja, ale pozatym radio cały czas nadaje.
    Po wylutowaniu Q1 jest odsłuch.
    Wstawiłem w miejsce q1 tranzystor kc307

    Dodano po 15 [minuty]:

    problem rozwiązany. inny tranzystor pomógł.
REKLAMA