Sami zobaczcie:
http://youtu.be/muACJfkTm4c
Oto prosty kod jaki napisałem:
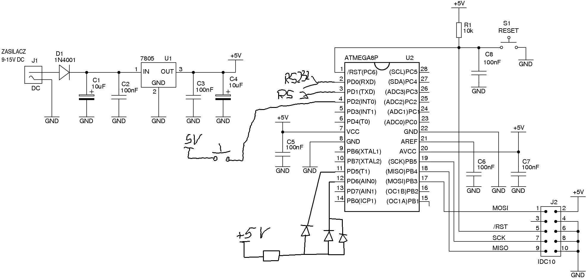
Podpięte są tylko 3 diody w tym 2 równolegle (na stanie niskim świecą), no i guzik do INIT0 (po naciśnięciu ma zwierać do masy).
Czy ktoś wie o co chodzi?
http://youtu.be/muACJfkTm4c
Oto prosty kod jaki napisałem:
Kod: C / C++
Podpięte są tylko 3 diody w tym 2 równolegle (na stanie niskim świecą), no i guzik do INIT0 (po naciśnięciu ma zwierać do masy).
Czy ktoś wie o co chodzi?