logo elektroda
logo elektroda
X
logo elektroda
REKLAMA
REKLAMA
Adblock/uBlockOrigin/AdGuard mogą powodować znikanie niektórych postów z powodu nowej reguły.

Magnum mx brak odbioru- nic nie słychać z głośnika...

hilan 13 Paź 2011 16:34 4201 1
REKLAMA
  • #1 10023138
    hilan
    Poziom 9  
    Witam. Mam gorącą prośbę o pomoc w naprawie cb radia Magnum MX. Radio to nadaje, jednak nie ma odbioru. W głośniku nie słychać, żadnego szumu nawet gdy vol. jest na max a squelch na min. Wykluczyłem antenę, mikrofon, a potencjometr vol./sq wstawiłem nowy (wcześniej sprawdzony) Co trzeba wymienić aby radio zaczęło odbierać. Dodam jeszcze, że czasami słyszę bardzo blisko nadające osoby i to bardzo cicho. Radio reaguje na wszystkie przełączniki. Na wejściu IC2 jest ok. 13V a na wyjściu ok. 7V i słychać brumienie gdy go dotknąć palcem. Kondensatory obok niego nie mają wybrzuszeń.
  • REKLAMA
  • #2 10023749
    SP5ANJ
    Spoczywaj w Pokoju
    hilan napisał:
    W głośniku nie słychać, żadnego szumu nawet gdy vol. jest na max a squelch na min. Wykluczyłem antenę, mikrofon, a potencjometr vol./sq wstawiłem nowy (wcześniej sprawdzony) Co trzeba wymienić aby radio zaczęło odbierać.

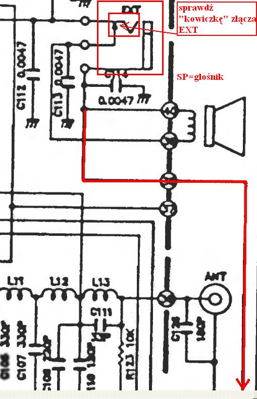
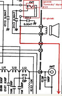
    Wygląda to, że masz jednak urwany kabelek mikrofonowy, który załącza z funkcji PTT głośnik w tym radiu.

    Magnum mx brak odbioru- nic nie słychać z głośnika...

    Dalszy ciąg tego połączenia GL jest :

    Magnum mx brak odbioru- nic nie słychać z głośnika...

    Cytat:
    Dodam jeszcze, że czasami słyszę bardzo blisko nadające osoby i to bardzo cicho.

    Może być to również "awaria" filtru 455kHz i/lub kondensatora sprzęgającego (pomagającego) C 36pF jak na schemacie :

    Magnum mx brak odbioru- nic nie słychać z głośnika...


    Pozdrawiam.
REKLAMA