Projekt przedstawia miernik Gaussa, który wykrywa pole magnetyczne. Układ używa sensora Halla. Może mierzyć on natężenie pola magnetycznego oraz wskazywać biegunowość. Do budowy wykorzystane zostało tylko kilka części, a więc układ można zbudować bez płytki drukowanej. Miernik taki przydaje się do określenia, który biegun magnesu jest południowy, a który północny oraz do sprawdzenia siły magnesu, zwłaszcza gdy podejrzewamy uszkodzenie termiczne.
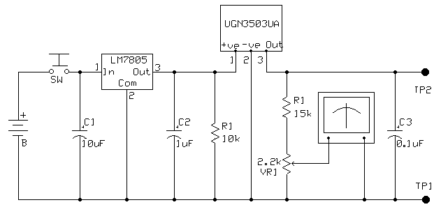
Sercem miernika jest układ UGN3503U lub podobny czujnik Halla. Układ UGN3503U jest liniowym czujnikiem pola magnetycznego i jego wyjście jest proporcjonalne go natężenia pola. Układ zasilany jest z baterii 9V. Regulator dostarcza stabilizowanego napięcia 5V. Bez obecnego pola magnetycznego czujnik na wyjściu podaje napięcie 2,5 V, które rośnie w miarę zbliżania bieguna północnego magnesu i maleje przez zbliżania bieguna południowego. Napięcie wyjściowe z czujnika wynosi 1,3 mV na każdy Gauss natężenia pola magnetycznego.
Schemat:
Testy z małym magnesem neodymowym, biegun północny
Biegun południowy:
źródło: http://www.thebackshed.com/windmill/articles/GaussMeter2.asp
Fajne? Ranking DIY
