logo elektroda
logo elektroda
X
logo elektroda
REKLAMA
REKLAMA
Adblock/uBlockOrigin/AdGuard mogą powodować znikanie niektórych postów z powodu nowej reguły.

CB General Electric - podłaczenie mikrofonu

lensars 04 Lis 2011 22:07 3912 5
REKLAMA
  • #1 10102098
    lensars
    Poziom 10  
    Oto schemat gniazda mikrofonu w TRX'ie:
    CB General Electric - podłaczenie mikrofonu

    Pod pinem nr 2 jest masa, po zwarciu z pinem 1 pojawia się odbiór. Po zwarciu pinu nr 2 (masa) z pinem nr 4 radio przechodzi w tryb TX - moc wyjściowa ok 4W. Tak więc metodą dedukcji wychodzi, że:
    Pin nr 1 - RX
    Pin nr 2 - Masa
    Pin nr 3 - Modulacja
    Pin nr 4 - TX

    Zalutowałem więc mikrofon elektretowy w takiej konfiguracji jak powyżej, czyli: na nie wciśnietym przycisku zwarte masa z RX, po wciśnięciu przycisku masa zwarta z TX, masa mikrofonu elekretowego do masy, pin nr 3 do drugiej nogi mikrofonu. Po wpięciu mikrofonu mam pisk w głośniku. Mikrofon elektretowy na bank sprawny bo działa w drugim TRX.

    Napięcie na pinie nr 3 - ok. 4,4V, na pinie nr 4 6,3V.

    Gdzie szukać przyczyny takiego zachowania?
  • REKLAMA
  • Pomocny post
    #2 10102217
    SP5ANJ
    Spoczywaj w Pokoju
    Witam.
    lensars napisał:
    Po wpięciu mikrofonu mam pisk w głośniku. Mikrofon elektretowy na bank sprawny bo działa w drugim TRX.

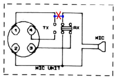
    Dość częstym problemem " pisku w głośniku " jest sam fakt NIE wyłączania (poprzez styki PTT) [w drugiej sekcji] mikrofonu przy nadawaniu.
    Zobacz czy w mikrofonie (tzw. gruszce) jest zworka, która na stałe zwiera styki mikrofon > linia (przewód do radia na wejściu mikrofonowym).

    Pokazałem na inny modelu (schemat) :

    CB General Electric - podłaczenie mikrofonu
    Niebieska linia to zworka w mikrofonach a na czerwono - co i jak , należy "przeciąć.

    Cytat:
    Gdzie szukać przyczyny takiego zachowania?

    Podpowiem z tzw. autopsji , że oznakowanie pin-ów w takim gnieździe i wtyku mikrofonowym dla CB są "troszkę" inne niż u Ciebie.
    Jest to zależne od typu i producenta tych/takiego radia. :cry:

    CB General Electric - podłaczenie mikrofonu


    Pozdrawiam.
  • REKLAMA
  • #3 10102242
    sp3hbf
    Poziom 15  
    Czy mikrofon elektretowy ma kondensator pomiędzy wyjściem a masą?. Jeżeli tak to wylutuj go i sprawdź ponownie,lub zamień na wkładkę bez kondensatora.
    Również sprawdź jak będzie działał przy wkładce dynamicznej,być możę to radio pracuje z mikrofonem dynamicznym.
  • REKLAMA
  • #4 10102353
    lensars
    Poziom 10  
    SP5ANJ dokładnie o to chodziło - miałem podpięty do wkładki przewód modulacji. Po przelutowaniu wg Twojego schematu - zadziałało jak trzeba. Dziękuję bardzo.

    Nurtuje mnie tylko jeszcze jedna sprawa - oplot przewodu mikrofonowego (masa) jest opleciony wokół jednej żyły przewodu i rozumiem ma to jakiś cel... Jaki? Do jakiego sygnału należy ją wykorzystać?
  • REKLAMA
  • #5 10102437
    sp3hbf
    Poziom 15  
    Ten przewód w ekranie to jest przewód od modulacji,ekran przewodu służy jako masa a przewody pozostałe to Rx odbiornik Tx nadajnik.
  • #6 10102615
    lensars
    Poziom 10  
    Bardzo dziękuję koledzy za pomoc. Pozdrawiam.
REKLAMA