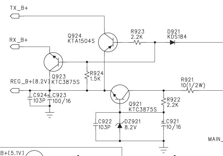
Witam, w TTI, które mam u siebie padło to samo co w tym temacie https://www.elektroda.pl/rtvforum/topic950437,.html chciałbym zamontować tam 2SC3198, ale ktoś wywalił tamten tranzystor SMD niżej dał diodę przewlekaną - dioda jest OK, nie ma natomiast tam śladów po punktach lutowniczych tamtego tranzystora (był już on widocznie wcześniej wymieniany na normalny tranzystor przewlekany)
Moje pytanie jest następujące - pod jakie elementy w sąsiedztwie mam się podlutować każdą z elektrod tranzystora 2SC3198?
Z góry dziękuję.
Moje pytanie jest następujące - pod jakie elementy w sąsiedztwie mam się podlutować każdą z elektrod tranzystora 2SC3198?
Z góry dziękuję.
