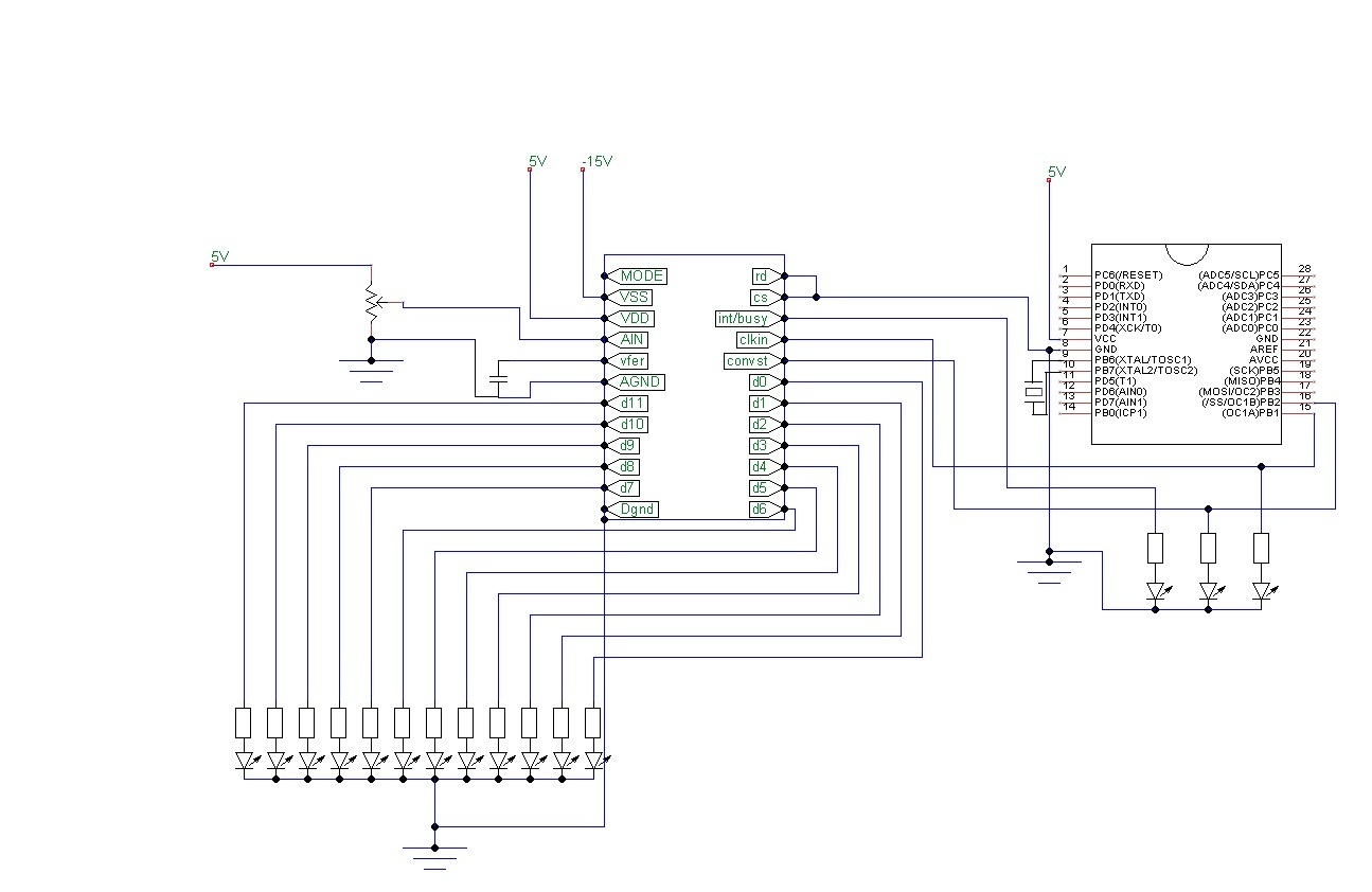
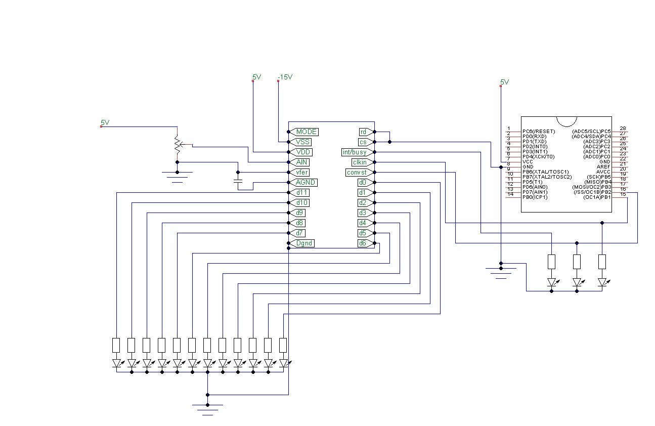
Witam, próbuje synchronizować przetwornik analogowo cyfrowy max122 12bit do atmegi8. Z datasheeta wynika, że przetwornik jest równloległy. Na początek wystarczy mi pobrać jakieś napięcie i wrzucić na Lcd. Do tej pory próbowałem dokonać konfiguracji przez SPI ale na wyświetlaczu wyświetla mi 0v lub jakieś głupoty, bez względu jakie napięcie podam na wejście analogowe. Ostatecznie w projekcie potrzebuje przetworzyć dzwięk do uk opóźnić i wyłać do przetwornika c/a, lecz narazie nie umiem podłączyć max'a. Z góry dziękuję za wyrozumiałość. Program pisze w bascomie
